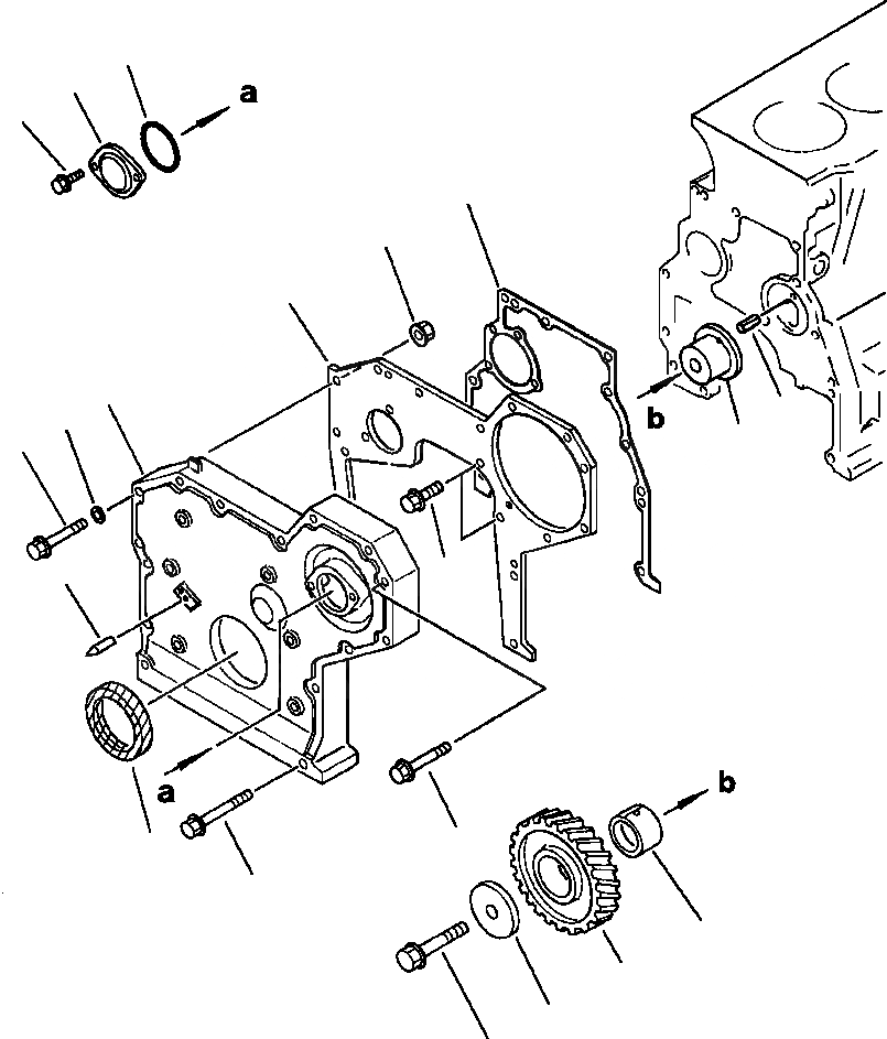
Запчасти Komatsu PC200-5 ПЕРЕДН. КРЫШКАAND ПРИВОД БЛОК ЦИЛИНДРОВ

Схема запчастей Komatsu PC200-5 - ПЕРЕДН. КРЫШКАAND ПРИВОД БЛОК ЦИЛИНДРОВ
18
17
19
2
8
1
4
14
7
13
6
5
3
6
10
9
12
11
15
16
FIT
1:1
100%

Артикул

Название

Примечание

Количество

1

6204-21-3211

PLATE, FRONT

1

6206-21-3210

PLATE, FRONT

2

6206-21-3830

GASKET, FRONT COVER

3

01435-20816

BOLT

4

6204-21-3112

COVER, FRONT

4

6204-21-3111

COVER, FRONT

5

6204-21-3850

POINTER

6

01435-20855

BOLT

7

01641-20812

WASHER

8

01584-00806

NUT

9

01435-20870

BOLT

10

6204-21-3510

SEAL, FRONT

|$12

6206-31-6301

GEAR, IDLER ASSEMBLY

11

NSS

GEAR, IDLER

12

6204-31-6341

BUSHING

13

6204-31-6331

SHAFT

14

04025-00512

PIN, SPRING

15

6204-31-6350

WASHER

16

01435-01270

BOLT

17

6144-81-5151

COVER

18

07000-03050

O-RING

19

01435-20616

BOLT

Выбрано товаров: 0