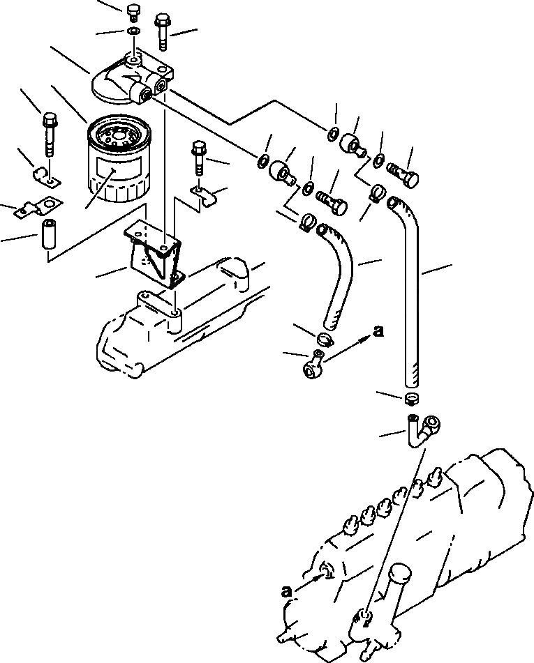
Запчасти Komatsu PC200-5 ТОПЛИВН. ФИЛЬТР. И ТРУБЫ ТОПЛИВН. СИСТЕМА

Схема запчастей Komatsu PC200-5 - ТОПЛИВН. ФИЛЬТР. И ТРУБЫ ТОПЛИВН. СИСТЕМА
2
10
3
1
4
9
17
13
17
17
16
13
19
17
16
6
20
7
15
18
15
8
12
11
5
15
13
15
14
FIT
1:1
100%

Артикул

Название

Примечание

Количество

|$0

6204-71-6101

FUEL FILTER ASSEMBLY

1

600-311-9640

HEAD, FUEL FILTER

2

600-311-6720

PLUG

3

07005-00812

GASKET

4

600-311-8221

FILTER, FUEL

5

6207-71-6711

BRACKET

6

01435-21020

BOLT

7

08053-01512

CLIP

8

6152-21-6590

SPACER

9

01435-21070

BOLT

10

01435-21030

BOLT

11

07260-20932

HOSE

12

07260-20922

HOSE

13

6144-71-5750

JOINT

14

6206-71-5850

JOINT

15

07281-00197

CLAMP

16

07206-11014

BOLT, JOINT

17

07005-01412

GASKET

18

600-311-1120

PLATE, CAUTION (ENGLISH)

18

600-311-1150

PLATE, CAUTION (FRENCH)

18

600-311-1130

PLATE, CAUTION (SPANISH)

Выбрано товаров: 21