Качественные детали и логистика
Оригинальные и аналоговые запчасти с доставкой по России, Казахстану и Беларуси
©2022 PartSell ООО "Система" ИНН 2463123282 ОГРН 1212400004838
Центральный офис: г. Красноярск, Академика Киренского, д.87, пом.4
Телефон: 8 (800) 777-65-74 Email: zakaz@partsell.ru
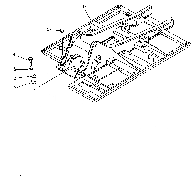
ОСНОВНАЯ РАМА (МОРОЗОУСТОЙЧИВ. СПЕЦИФ-Я) (С ДОПОЛН. ГИДРОЛИНИЕЙ)
№
Артикул
Название
Примечание
Количество
1
20Y-46-11990
FRAME,REVOLVING
2
205-30-71181
COVER
3
205-30-71191
GASKET
4
01010-51230
BOLT
5
01643-31232
WASHER
6
20Y-46-11560
CAP
Выбрано товаров: 0