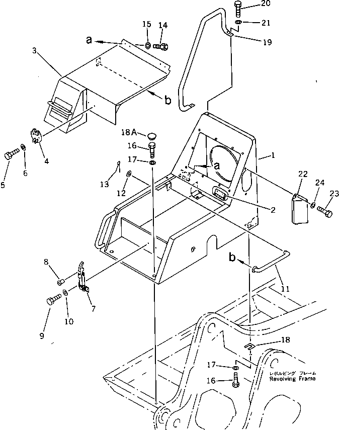
Запчасти Komatsu PC200-5 АККУМУЛЯТОРН. ОТСЕК (С CAR ОХЛАДИТЕЛЬ) ЧАСТИ КОРПУСА

Схема запчастей Komatsu PC200-5 - АККУМУЛЯТОРН. ОТСЕК (С CAR ОХЛАДИТЕЛЬ) ЧАСТИ КОРПУСА
FIT
1:1
100%

Артикул

Название

Примечание

Количество

1

20Y-54-21190

COVER

2

20Y-54-12650

HINGE (WELDED)

3

20Y-54-12624

COVER

4

205-54-67660

SUPPORT

5

01010-50820

BOLT

6

01643-30823

WASHER

7

205-54-76260

CATCHER

8

205-54-76280

ROTOR ASS'Y

9

01010-50820

BOLT

10

01643-30823

WASHER

11

20Y-54-12630

BAR

12

01643-31032

WASHER

13

04050-13018

PIN,COTTER

14

01010-51030

BOLT

15

01643-31032

WASHER

16

01010-51230

BOLT

17

175-54-34170

WASHER

18

20Y-54-18190

PLATE

18A

198-54-41941

CAP

19

20Y-54-12660

HAND RAIL

20

01010-51230

BOLT

21

01643-31232

WASHER

22

20Y-973-1230

COVER

23

01010-50812

BOLT

24

01643-30823

WASHER

Выбрано товаров: 25