Качественные детали и логистика
Оригинальные и аналоговые запчасти с доставкой по России, Казахстану и Беларуси
©2022 PartSell ООО "Система" ИНН 2463123282 ОГРН 1212400004838
Центральный офис: г. Красноярск, Академика Киренского, д.87, пом.4
Телефон: 8 (800) 777-65-74 Email: zakaz@partsell.ru
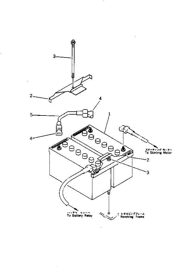
АККУМУЛЯТОР (СУХ. ТИП)(№89-)
№
Артикул
Название
Примечание
Количество
1
08000-42212
BATTERY (115E41R)
2
205-06-71173
HOLDER
3
205-06-71180
BOLT
4
08038-22511
CAP
5
08028-43030
CABLE
6
08000-10050
ELECTROLYTE,(5L) (NOT SHOWN)
7
08000-10100
ELECTROLYTE,(10L) (NOT SHOWN)
Выбрано товаров: 0