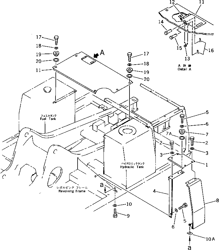
Запчасти Komatsu PC200-5C КРЫШКАAND РАМА(№-88) ЧАСТИ КОРПУСА

Схема запчастей Komatsu PC200-5C - КРЫШКАAND РАМА(№-88) ЧАСТИ КОРПУСА
FIT
1:1
100%

Артикул

Название

Примечание

Количество

1

20Y-54-12283

COVER

2

01010-51230

BOLT

3

01643-31232

WASHER

4

20Y-54-12721

FRAME

5

01010-51230

BOLT

6

01643-31232

WASHER

7

20Y-54-12822

COLLAR

7

20Y-54-12821

COLLAR

7A

20Y-54-12990

PLATE

8

20Y-54-12335

COVER

8

20Y-54-12334

COVER

9

01010-51230

BOLT

10

01643-31232

WASHER

10A

20Y-54-18190

PLATE

11

20Y-54-12195

COVER

12

203-54-32230

HINGE (WELDED)

13

09463-00006

SPRING

14

04205-10614

PIN

15

04205-10618

PIN

16

04050-11610

PIN,COTTER

17

01010-51230

BOLT

18

01643-31232

WASHER

19

20Y-54-12822

COLLAR

19

20Y-54-12821

COLLAR

20

20Y-54-16950

PLATE

20

20Y-54-12990

PLATE

Выбрано товаров: 26