Запчасти Komatsu PC200-5C ДЕМПФЕР КОМПОНЕНТЫ ДВИГАТЕЛЯ И ЭЛЕКТРИКА

Схема запчастей Komatsu PC200-5C - ДЕМПФЕР КОМПОНЕНТЫ ДВИГАТЕЛЯ И ЭЛЕКТРИКА
FIT
1:1
100%

Артикул

Название

Примечание

Количество

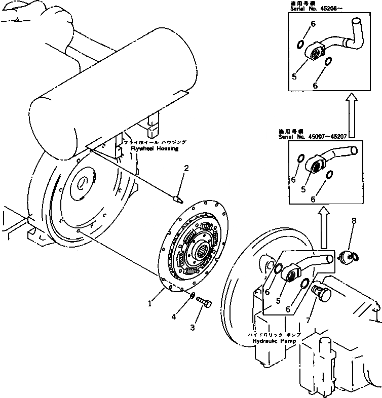
1

20Y-01-11112

DAMPER,DISC

1

20Y-01-11111

DAMPER,DISC

2

203-01-51120

PIN

3

01010-51020

BOLT

4

01643-31032

WASHER

5

20Y-01-11182

TUBE

5

20Y-01-11181

TUBE

5

20Y-01-11180

TUBE

6

07000-03030

O-RING

6

07005-02716

GASKET

7

20Y-01-11220

BOLT

7

198-04-11150

BOLT,JOINT

8

207-01-31150

GAUGE

Выбрано товаров: 13