Запчасти Komatsu PC200-5T МАРКИРОВКА (FRANCH) (КАБИНА) МАРКИРОВКА¤ ИНСТРУМЕНТ И РЕМКОМПЛЕКТЫ

Схема запчастей Komatsu PC200-5T - МАРКИРОВКА (FRANCH) (КАБИНА) МАРКИРОВКА¤ ИНСТРУМЕНТ И РЕМКОМПЛЕКТЫ
FIT
1:1
100%

Артикул

Название

Примечание

Количество

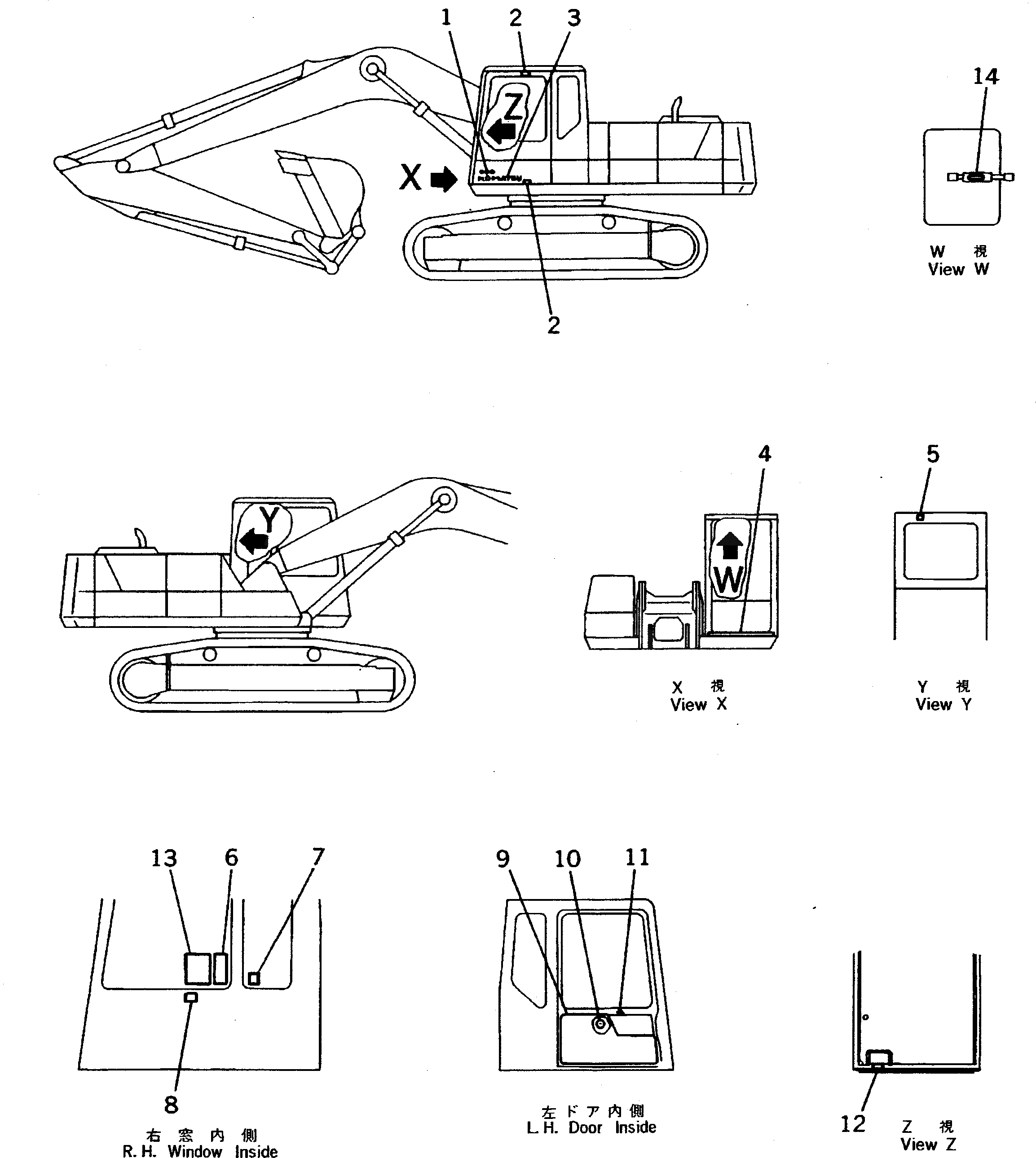
1

09694-50160

PLATE, MARK

2

20Y-00-11350

PLATE

3

09690-C0315

PLATE, MARK

3

09690-50500

PLATE, MARK

4

20Y-00-11490

PLATE

5

205-00-63890

PLATE

6

20Y-00-12550

PLATE, CAUTION

7

205-00-71620

PLATE, CAUTION

8

203-916-5730

PLATE, OPERATING

9

20Y-54-14670

COVER

10

20Y-54-14560

CLIP ASS'Y

11

205-00-71340

PLATE, OPERATING

12

20Y-00-12430

PLATE, CAUTION

13

20Y-00-12540

PLATE, CAUTION

14

205-00-63980

PLATE, SAFETY,CAUTION

Выбрано товаров: 15