Качественные детали и логистика
Оригинальные и аналоговые запчасти с доставкой по России, Казахстану и Беларуси
©2022 PartSell ООО "Система" ИНН 2463123282 ОГРН 1212400004838
Центральный офис: г. Красноярск, Академика Киренского, д.87, пом.4
Телефон: 8 (800) 777-65-74 Email: zakaz@partsell.ru
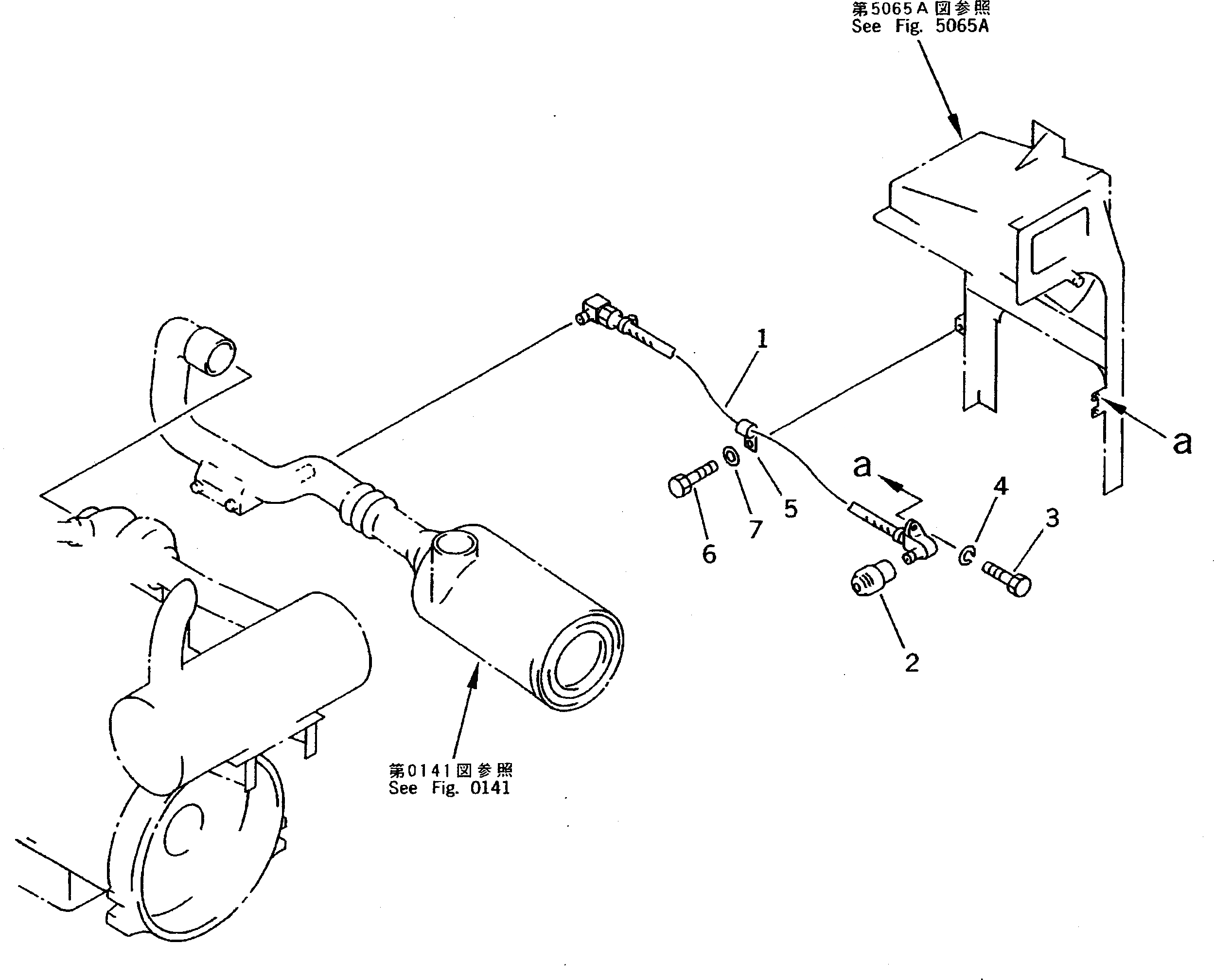
ВОЗДУХООЧИСТИТЕЛЬ СОЕДИН-Е
№
Артикул
Название
Примечание
Количество
1
20Y-01-12240
HOSE
2
08670-12001
INDICATOR,DUST
3
01010-50616
BOLT
4
01602-20619
WASHER,SPRING
5
08036-21414
CLIP
6
01010-51225
7
01643-31232
WASHER
Выбрано товаров: 0