Запчасти Komatsu PC200-5X АККУМУЛЯТОР КОМПОНЕНТЫ ДВИГАТЕЛЯ И ЭЛЕКТРИКА

Схема запчастей Komatsu PC200-5X - АККУМУЛЯТОР КОМПОНЕНТЫ ДВИГАТЕЛЯ И ЭЛЕКТРИКА
FIT
1:1
100%

Артикул

Название

Примечание

Количество

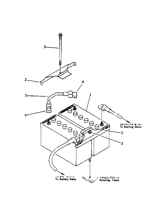
G-1

20Y-06-X4101

BATTERY GROUP

1

08000-32212

BATTERY (115E41R)

2

205-06-71173

HOLDER

3

205-06-71180

BOLT

4

08038-22511

CAP

5

08028-43030

WIRE

Выбрано товаров: 6