Запчасти Komatsu PC200-5X ЭЛЕКТРОПРОВОДКА В КАБИНЕ (ДЛЯ ПАНЕЛЬ СТОЙКА) (ДЛЯ УДЛИНН. РЫЧАГ УПРАВЛ-Е) КОМПОНЕНТЫ ДВИГАТЕЛЯ И ЭЛЕКТРИКА

Схема запчастей Komatsu PC200-5X - ЭЛЕКТРОПРОВОДКА В КАБИНЕ (ДЛЯ ПАНЕЛЬ СТОЙКА) (ДЛЯ УДЛИНН. РЫЧАГ УПРАВЛ-Е) КОМПОНЕНТЫ ДВИГАТЕЛЯ И ЭЛЕКТРИКА
FIT
1:1
100%

Артикул

Название

Примечание

Количество

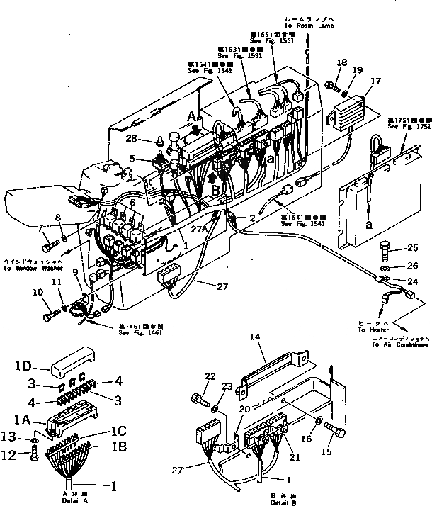
G-1

20Y-06-X1140

CAB HARNESS GROUP

1

20Y-06-15870

WIRING HARNESS

1A

20Y-06-16280

BOX

1B

283-06-16160

TERMINAL

1C

283-06-16150

TERMINAL

1D

20Y-06-15930

TERMINAL

1E

195-Z11-2290

COVER

2

22W-06-13590

DIODE

3

205-06-73180

FUSE¤ 15A

4

283-06-16190

FUSE¤ 10A

5

23S-06-14410

SWITCH

6

22W-06-13450

RELAY ASS'Y

7

01010-50616

BOLT

8

01643-30623

WASHER

9

203-06-56230

BUZZER ASS'Y

10

01010-50616

BOLT

|10

01010-50610

BOLT

11

01643-30623

WASHER

12

01220-40616

SCREW

13

01642-20608

WASHER

14

20Y-06-15381

PLATE

15

01010-51025

BOLT

16

01643-31032

WASHER

17

7824-12-2400

RESISTOR¤ 27OHM

18

01010-50820

BOLT

19

01643-30823

WASHER

20

08053-16212

CLIP

21

08053-15012

CLIP

22

01010-51018

BOLT

|22

01010-51016

BOLT

23

01643-31032

WASHER

24

08036-01214

CLIP

25

01010-51225

BOLT

26

01643-31232

WASHER

27

20Y-06-15391

WIRING HARNESS

27A

22W-06-13590

DIODE

28

203-06-41680

CAP

29

08034-00519

BAND

Выбрано товаров: 0