Запчасти Komatsu PC200-6 ОСНОВН. КЛАПАН (-АКТУАТОР) (/)(№8-899) ОСНОВН. КОМПОНЕНТЫ И РЕМКОМПЛЕКТЫ

Схема запчастей Komatsu PC200-6 - ОСНОВН. КЛАПАН (-АКТУАТОР) (/)(№8-899) ОСНОВН. КОМПОНЕНТЫ И РЕМКОМПЛЕКТЫ
FIT
1:1
100%

Артикул

Название

Примечание

Количество

|$4

723-47-10500

VALVE ASS'Y

|$5

723-47-10107

VALVE ASS'Y

|$6

723-47-10105

VALVE ASS'Y

|$7

723-47-10103

VALVE ASS'Y

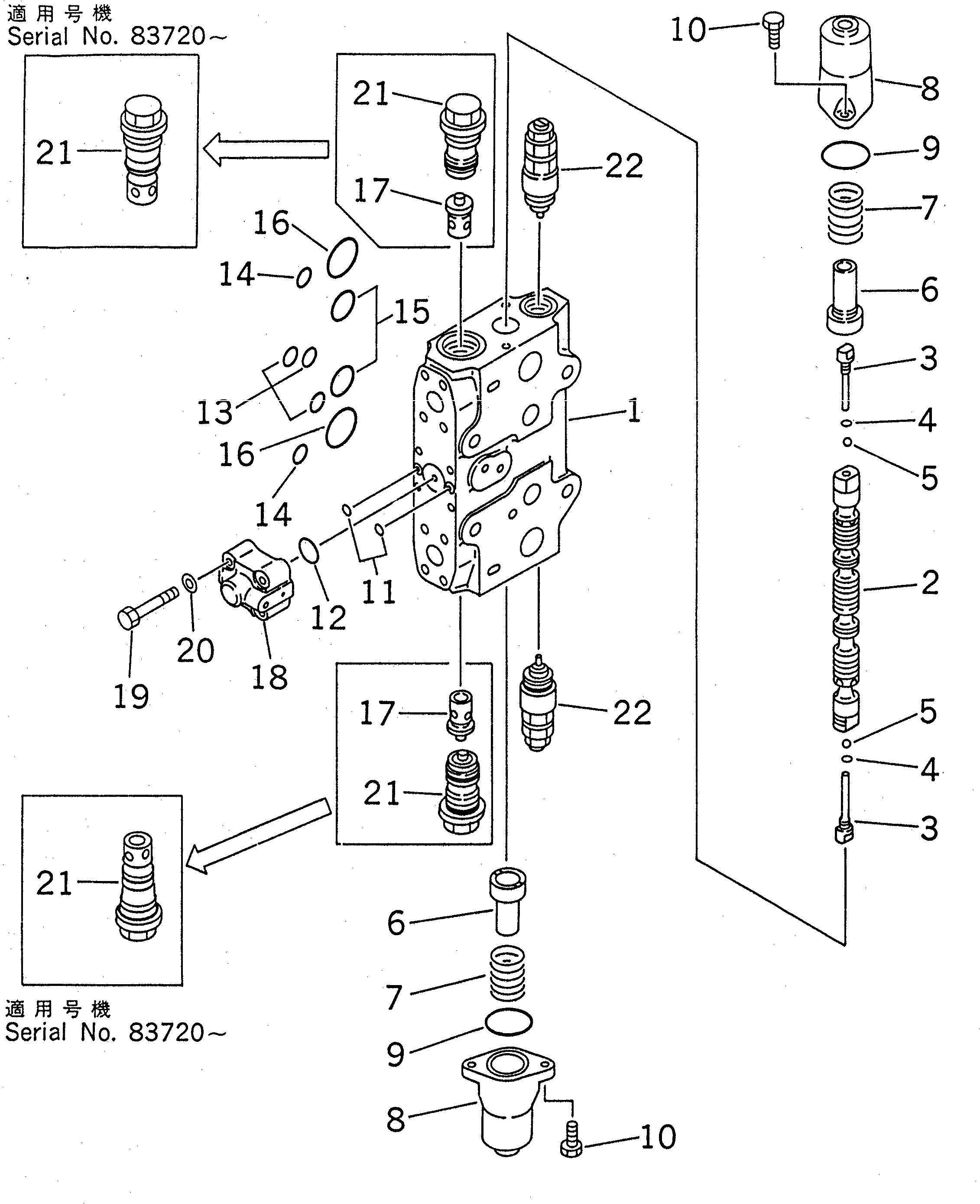
1

BLOCK,VALVE

2

SPOOL

2

SPOOL

3

723-46-15130

PLUG

4

07002-10823

O-RING

5

708-7T-16460

BALL

6

723-46-15120

RETAINER

7

723-46-14110

SPRING

8

723-46-15111

CASE

9

07430-71380

O-RING

10

01252-30820

BOLT

11

07000-11009

O-RING

12

07000-12021

O-RING

13

07000-12015

O-RING

14

07000-12018

O-RING

15

07000-13032

O-RING

16

07000-03040

O-RING

17

723-46-41110

VALVE

18

723-40-66300

VALVE ASS'Y

19

01252-60845

BOLT

20

01643-50823

WASHER

21

723-46-40500

VALVE ASS'Y

21

723-46-40100

VALVE ASS'Y

22

709-70-74600

VALVE ASS'Y,SUCTION AND SAFETY

Выбрано товаров: 0