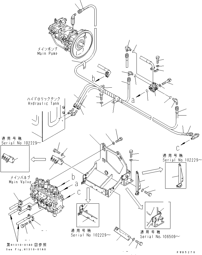
Запчасти Komatsu PC200-6 ОСНОВН. КЛАПАН (КОРПУС КЛАПАНА) (CS РУКОЯТЬR)(№9999-) ГИДРАВЛИКА

Схема запчастей Komatsu PC200-6 - ОСНОВН. КЛАПАН (КОРПУС КЛАПАНА) (CS РУКОЯТЬR)(№9999-) ГИДРАВЛИКА
1
1
1
2
3
4
5
6
6
7
8
9
10
10
11
12
13
14
15
16
17
18
19
19
20
21
22
23
24
25
26
27
28
28
29
30
31
31
32
32
33
33
34
34
35
35
36
37
38
39
40
FIT
1:1
100%

Артикул

Название

Примечание

Количество

1

20Y-62-27413

BRACKET

|1

20Y-62-27412

BRACKET

|1

20Y-62-27411

BRACKET

2

01010-81655

BOLT

3

01643-31645

WASHER

4

01010-81650

BOLT

5

01643-31645

WASHER

6

20Y-62-27192

BRACKET

|6

20Y-62-27191

BRACKET

7

01010-81230

BOLT

8

01643-31232

WASHER

9

20Y-62-21252

BRACKET

10

20Y-970-6292

BRACKET

|10

20Y-970-6291

BRACKET

11

01010-81235

BOLT

12

01643-31232

WASHER

13

01010-81235

BOLT

14

01643-31232

WASHER

15

702-21-09147

VALVE ASS'Y

|15

702-21-09146

VALVE ASS'Y

|15

702-21-09145

VALVE ASS'Y

|15

702-21-09143

VALVE ASS'Y

16

21T-09-11460

O-RING

17

708-27-12560

BOLT

18

01643-51032

WASHER

19

07371-31049

FLANGE

20

07372-21035

BOLT

21

01643-51032

WASHER

22

21Y-62-17810

ELBOW

|22

207-62-33920

ELBOW

23

07002-12434

O-RING

24

07235-10210

ELBOW

25

07002-11423

O-RING

26

07235-10210

ELBOW

27

07002-11423

O-RING

28

07371-31049

FLANGE

29

07372-21035

BOLT

30

01643-51032

WASHER

31

203-62-52280

HOSE¤ 900MM

32

20Y-62-22881

HOSE

33

20Y-62-22820

BAND¤ BLUE

34

07096-00221

HOSE

35

20Y-62-22810

BAND¤ YELLOW

36

04434-52712

CLIP

37

01010-81225

BOLT

38

01643-31232

WASHER

39

08034-00519

BAND

40

04434-51512

CLIP

Выбрано товаров: 48