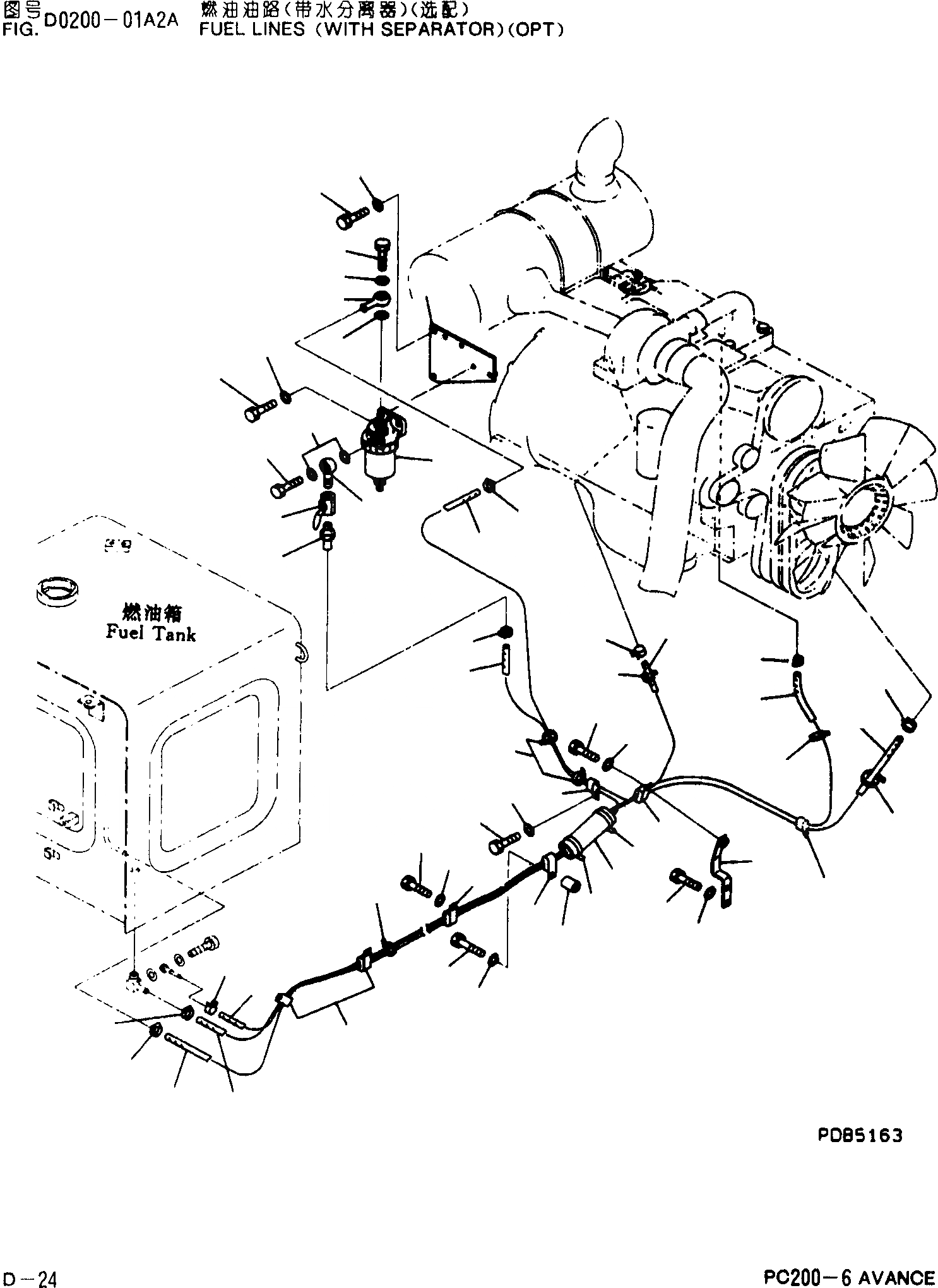
Запчасти Komatsu PC200-6 ТОПЛИВН. LINS(С МАТЕРИАЛER SEPARATOR) D [ТОПЛИВН. БАК. AND КОМПОНЕНТЫ]

Схема запчастей Komatsu PC200-6 - ТОПЛИВН. LINS(С МАТЕРИАЛER SEPARATOR) D [ТОПЛИВН. БАК. AND КОМПОНЕНТЫ]
9
8
3
2
4
2
7
6
5
14
13
11
10
12
1
15
16
27
21
28
24
34
23
35
27
22
15
16
24
31
24
29
30
17
20
18
19
34
35
30
30
32
26
25
26
34
35
35
33
24
28
23
30
22
21
27
27
FIT
1:1
100%

Артикул

Название

Примечание

Количество

1

600-311-9732

WATERSEPARATORA

2

07005-01412

GASKET

3

07206-31014

BOLT

4

205-04-62150

ADAPTER

5

01010-51030

BOLT

6

01643-31032

WASHER

7

20Y-04-21211

BRACKET

8

01010-81225

BOLT

9

01643-31232

WASHER

10

154-04-11540

ADAPTER

11

07700-40240

VALVE

12

205-04-62140

ADAPTER

13

07005-01412

GASKET

14

07206-31014

BOLT

15

07288-11019

HOSE

16

07281-00197

CLAMP

17

08034-00519

BAND

18

141-06-11220

CLIP

19

01010-81225

BOLT

20

01643-31232

WASHER

21

07288-01027

HOSE

22

07288-01030

HOSE

23

07270-50423

HOSE

24

08034-00519

BAND

25

205-62-53780

COVER

26

08034-00834

BAND

27

07281-00197

CLAMP

28

07285-00080

CLIP

29

20Y-04-21151

BRACKET

30

141-06-11220

CLIP

31

04435-51612

CLIP

32

142-03-11160

SPACER

33

01010-81260

BOLT

34

01010-81225

BOLT

35

01643-31232

WASHER

Выбрано товаров: 0