Качественные детали и логистика
Оригинальные и аналоговые запчасти с доставкой по России, Казахстану и Беларуси
©2022 PartSell ООО "Система" ИНН 2463123282 ОГРН 1212400004838
Центральный офис: г. Красноярск, Академика Киренского, д.87, пом.4
Телефон: 8 (800) 777-65-74 Email: zakaz@partsell.ru
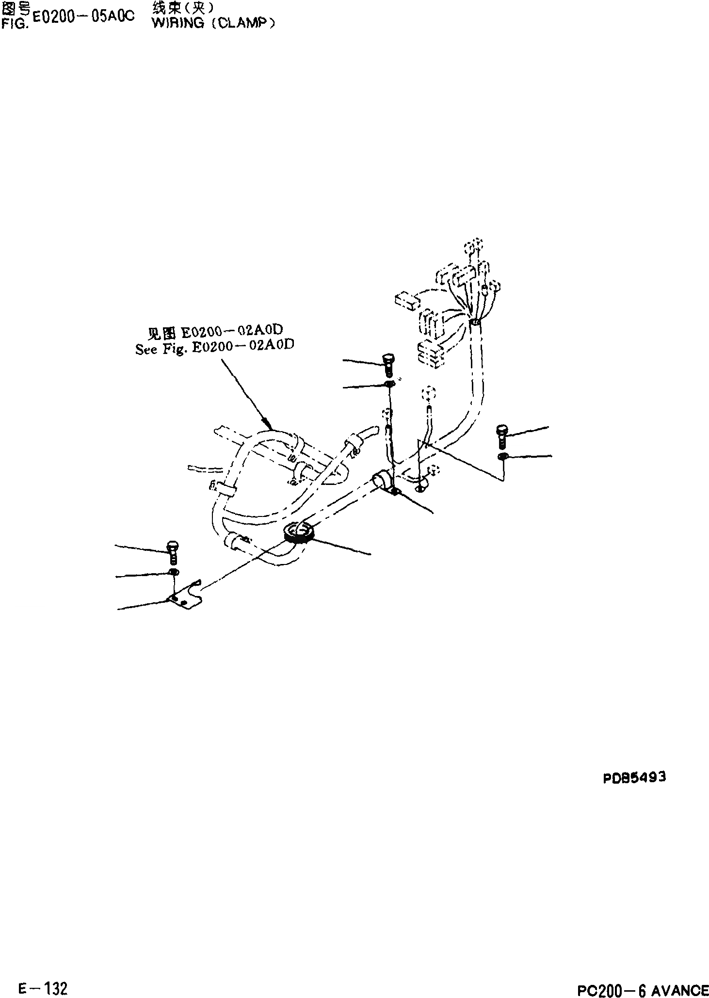
ЭЛЕКТРОПРОВОДКА(КРЕПЛЕНИЕ)
№
Артикул
Название
Примечание
Количество
1
203-06-67190
SHEET
2
01010-81020
BOLT
3
01643-31032
WASHER
4
21T-06-73320
GROMMET
5
113-899-7950
CLIP
6
7
8
9
Выбрано товаров: 0