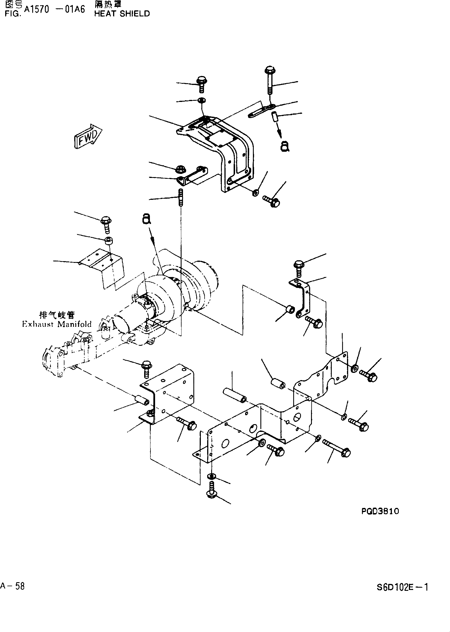
Запчасти Komatsu PC200-6 ТЕРМОЗАЩИТА ДВИГАТЕЛЬ SDE-C ДВИГАТЕЛЬ NO. 8 И UP]

Схема запчастей Komatsu PC200-6 - ТЕРМОЗАЩИТА ДВИГАТЕЛЬ SDE-C ДВИГАТЕЛЬ NO. 8 И UP]
25
26
24
20
18
19
28
29
27
23
21
22
26
25
6
5
11
15
7
16
14
17
10
12
17
16
8
16
8
3
1
2
4
9
13
FIT
1:1
100%

Артикул

Название

Примечание

Количество

1

6732-81-8870

BRACKET

2

6138-81-8660

SPACER

3

01435-01060

BOLT

4

01435-01020

BOLT

5

6735-81-8710

BRACKET

6

01435-01020

BOLT

7

6735-81-8140

COVER

8

01435-00820

BOLT

9

6130-12-4571

SPACER

10

01435-01060

BOLT

11

6206-11-4590

SPACER

12

01435-01095

BOLT

13

22D-62-18450

SPACER

14

01435-00816

BOLT

15

01435-01035

BOLT

16

6201-81-6560

SPACER

17

01643-31032

WASHER

18

6732-81-8420

BRACKET

19

01140-61035

STUDBOLT

20

6142-12-5850

NUT

21

6732-81-8430

BRACKET

22

6732-81-8440

SPACER

23

01435-00845

BOLT

24

6732-81-8410

COVER

25

01435-00816

BOLT

26

6201-81-6560

SPACER

27

6735-81-8740

COVER

28

01435-00820

BOLT

29

6131-12-4570

SPACER

Выбрано товаров: 0