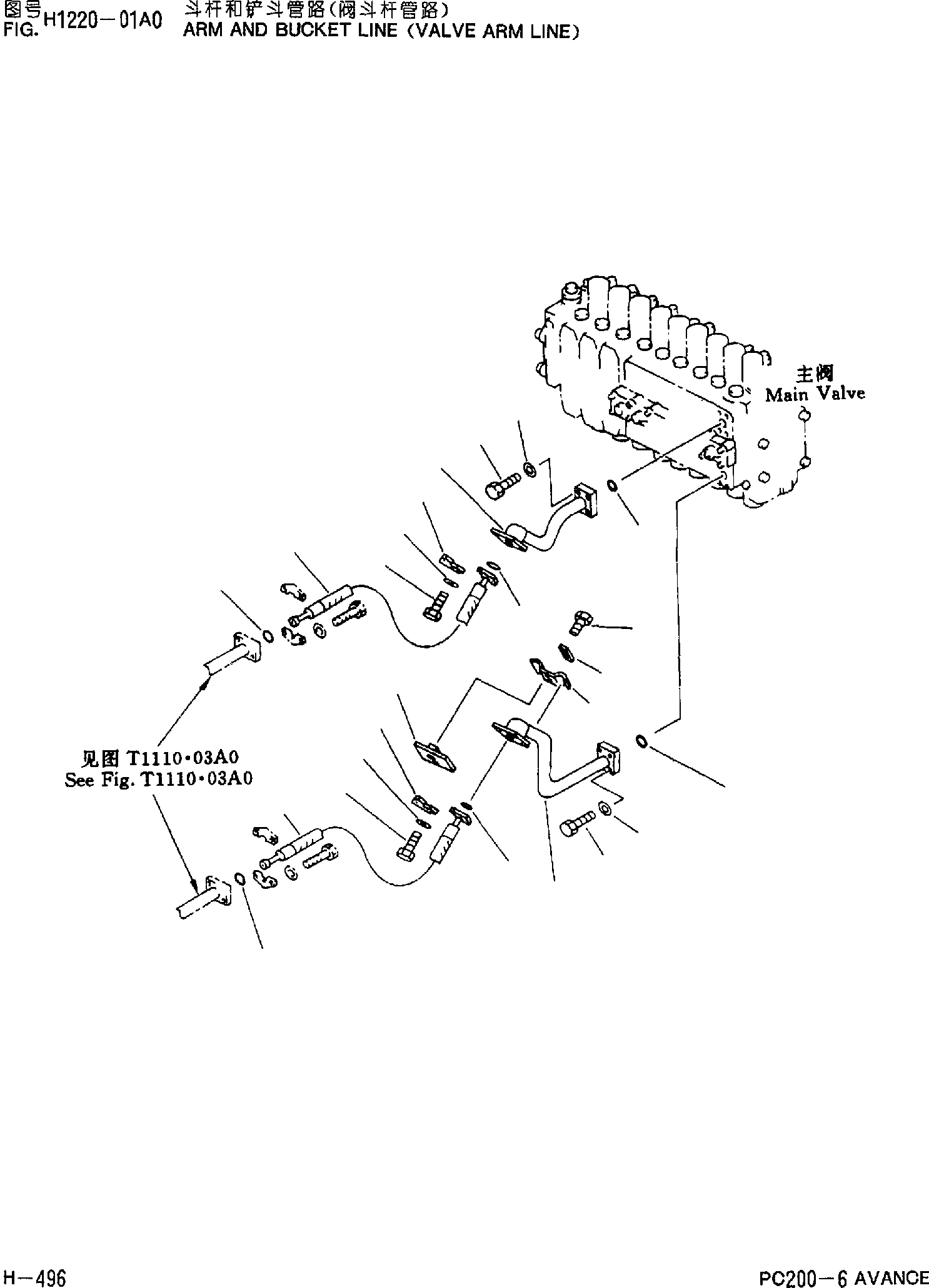
Запчасти Komatsu PC200-6 РУКОЯТЬ И ЛИНИЯ КОВША(КЛАПАН РУКОЯТЬ ЛИНИЯ) H [ГИДРАВЛИКА]

Схема запчастей Komatsu PC200-6 - РУКОЯТЬ И ЛИНИЯ КОВША(КЛАПАН РУКОЯТЬ ЛИНИЯ) H [ГИДРАВЛИКА]
4
3
1
7
9
8
5
6
19
16
18
17
14
15
15
10
12
13
11
20
22
21
2
6
FIT
1:1
100%

Артикул

Название

Примечание

Количество

1

20Y-62-21131

TUBE

2

21T-09-11460

O-RING

3

07372-21040

BOLT

4

01643-51032

WASHER

5

20T-62-21290

HOSE

6

07000-13032

O-RING

7

07371-31049

FLANGE

8

07372-21035

BOLT

9

01643-51032

WASHER

10

20Y-62-21141

TUBE

11

21T-09-11460

O-RING

12

07372-21040

BOLT

13

01643-51032

WASHER

14

20Y-62-21280

HOSE

15

07000-13025

O-RING

16

07371-30640

FLANGE

17

07372-21035

BOLT

18

01643-51032

WASHER

19

20Y-62-21480

BRACKET

20

20Y-62-13710

CLIP

21

01010-51235

BOLT

22

20Y-60-13450

PLATE

Выбрано товаров: 22