Качественные детали и логистика
Оригинальные и аналоговые запчасти с доставкой по России, Казахстану и Беларуси
©2022 PartSell ООО "Система" ИНН 2463123282 ОГРН 1212400004838
Центральный офис: г. Красноярск, Академика Киренского, д.87, пом.4
Телефон: 8 (800) 777-65-74 Email: zakaz@partsell.ru
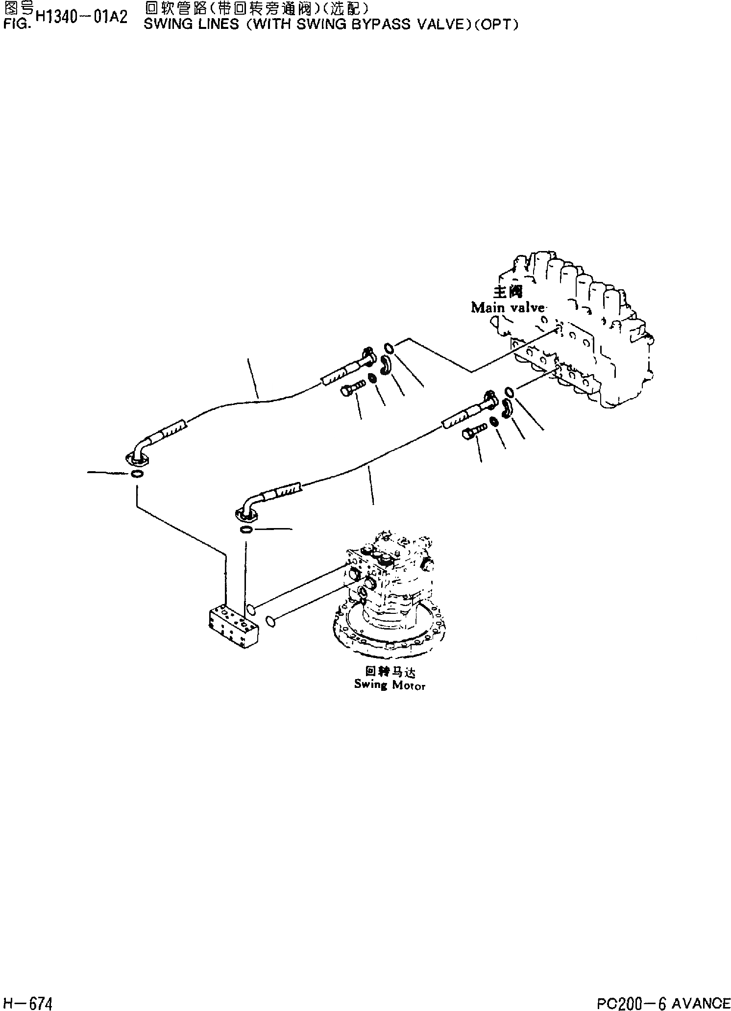
ЛИНИЯ ПОВОРОТА(С ПОВОРОТН. BYPASS КЛАПАН)(ОПЦИОНН.)
№
Артикул
Название
Примечание
Количество
1
07098-00608
HOSE
2
21T-09-11430
O-RING
3
20Y-62-21830
4
5
07371-30640
FLANGE
6
07372-21035
BOLT
7
01643-51032
WASHER
Выбрано товаров: 0