Качественные детали и логистика
Оригинальные и аналоговые запчасти с доставкой по России, Казахстану и Беларуси
©2022 PartSell ООО "Система" ИНН 2463123282 ОГРН 1212400004838
Центральный офис: г. Красноярск, Академика Киренского, д.87, пом.4
Телефон: 8 (800) 777-65-74 Email: zakaz@partsell.ru
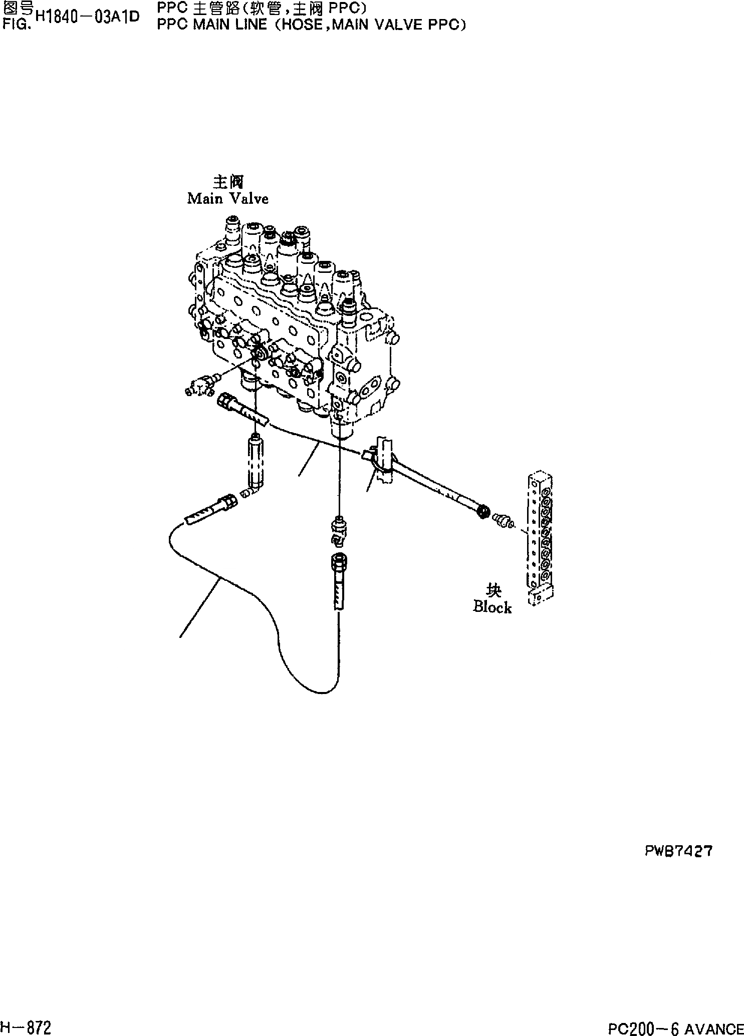
ОСНОВН. ЛИНИЯ PPC(ШЛАНГИ,ОСНОВН. КЛАПАН PPC)
№
Артикул
Название
Примечание
Количество
1
07103-20203
HOSE300MM
203-62-63281
2
203-62-52330
HOSE600MM
3
08034-00519
BAND
Выбрано товаров: 0