Запчасти Komatsu PC200-6 КАБИНА(ЭЛЕКТР.) K [КАБИНА ОПЕРАТОРА И СИСТЕМА УПРАВЛЕНИЯ]

Схема запчастей Komatsu PC200-6 - КАБИНА(ЭЛЕКТР.) K [КАБИНА ОПЕРАТОРА И СИСТЕМА УПРАВЛЕНИЯ]
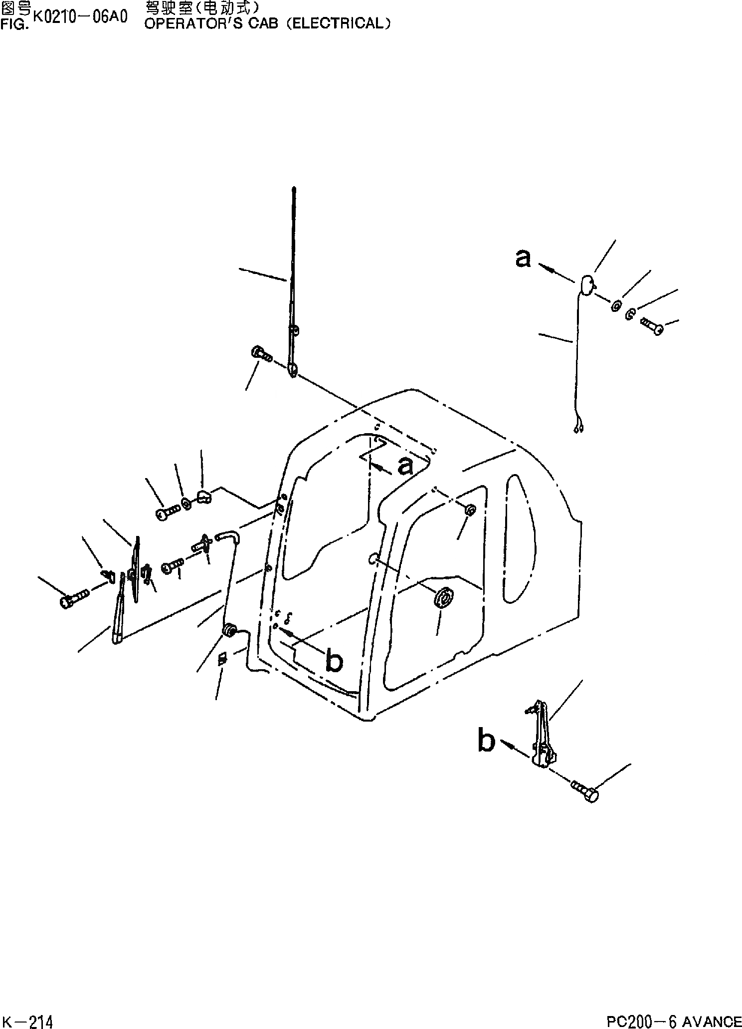
23
24
9
11
10
4
5
7
3
6
13
12
14
15
16
22
25
1
2
21
17
20
19
18
FIT
1:1
100%

Артикул

Название

Примечание

Количество

1

20Y-54-39402

WIPERMOTORASS'Y

2

01435-30610

BOLT

3

20Y-54-39442

ARM

4

20Y-54-39450

BLADE

5

20Y-54-39460

SLTDER

6

20Y-54-39480

PLATE

7

ND949007-2350

SCREW

|$8

ND949007-2540

SCREWWASHER

9

20Y-54-39471

STOPPER

10

01220-70620

SCREW

11

01642-20608

WASHER

12

20Y-54-39511

NOIIEL

13

01370-10520

SCREW

14

17M-911-2670

HOSE

15

08037-01008

GROMMET

16

08051-00801

CRIP

17

08141-02400

LAMP

18

01220-40420

SCREW

19

01601-20410

WASHER

20

01641-20405

WASHER

21

205-06-71550

WRIE

22

20Y-54-36150

GROMMET

23

08912-00000

ANTENNA

24

01370-00420

SCREW

25

08037-01610

GROMMET

Выбрано товаров: 25