Запчасти Komatsu PC200-6 КАБИНА(КРЫШКА ПАНЕЛИ)(ЭЛЕКТРИЧ. РЕГУЛЯТОР)(С ОБОГРЕВ-ЛЕМ)(ОПЦИОНН.) K [КАБИНА ОПЕРАТОРА И СИСТЕМА УПРАВЛЕНИЯ]

Схема запчастей Komatsu PC200-6 - КАБИНА(КРЫШКА ПАНЕЛИ)(ЭЛЕКТРИЧ. РЕГУЛЯТОР)(С ОБОГРЕВ-ЛЕМ)(ОПЦИОНН.) K [КАБИНА ОПЕРАТОРА И СИСТЕМА УПРАВЛЕНИЯ]
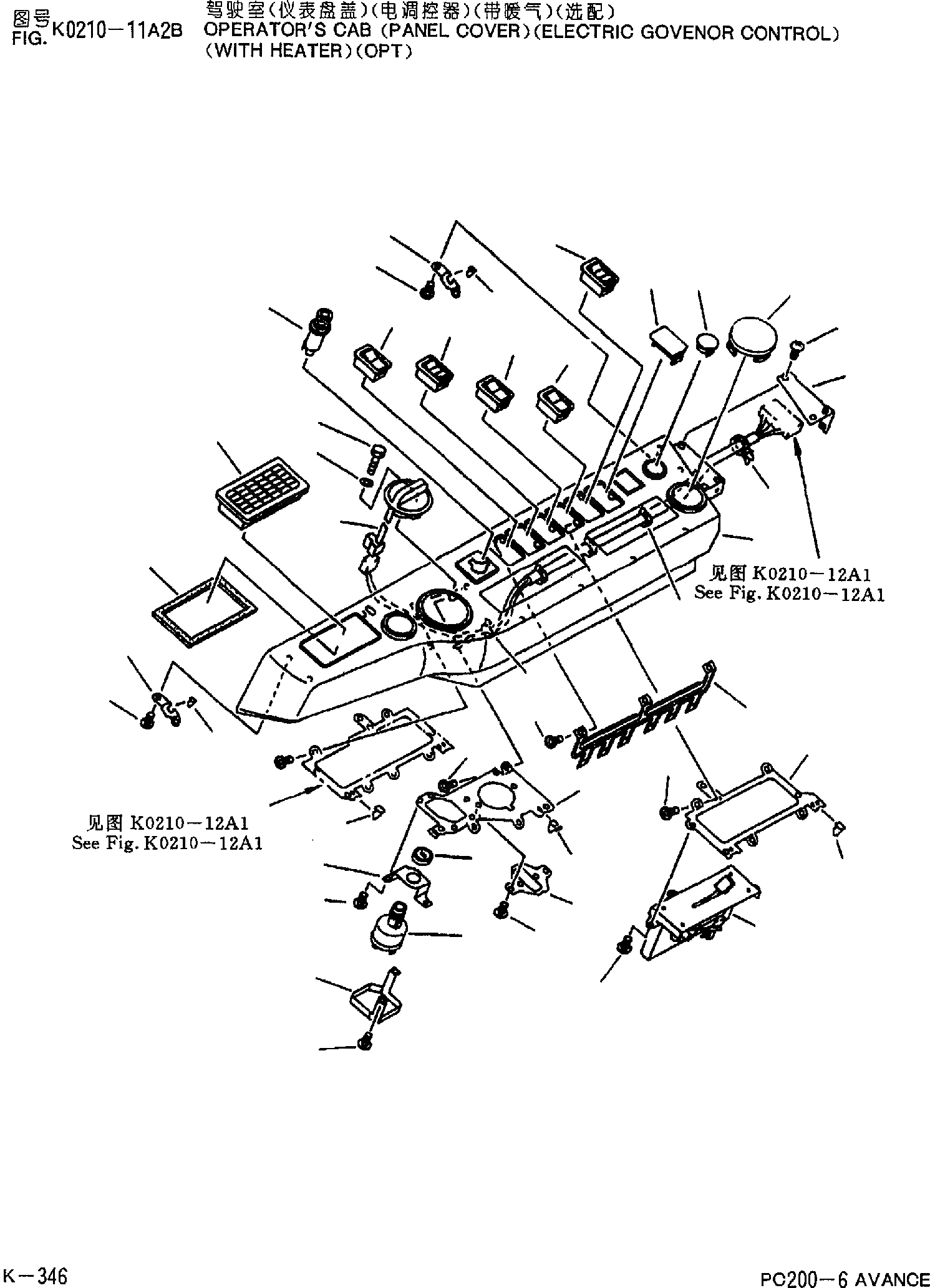
3
4
22
23
15
24
21
33
32
17
2
10
9
1
29
26
35
36
18
34
16
3
4
15
1
20
6
5
8
1
19
7
15
11
12
27
25
25
15
13
14
31
30
15
28
FIT
1:1
100%

Артикул

Название

Примечание

Количество

1

20Y-06-23940

BAND

2

09414-11053

CAPSERVICE

3

20Y-06-23710

STAY

4

01370-00512

SCREW

5

20Y-06-23720

STAY

6

01370-00512

SCREW

7

20Y-06-23730

STAY

8

01370-00512

SCREW

9

20Y-06-23740

STAY

10

01023-10408

SCREW

11

20Y-06-23750

BRACKET

12

01023-10510

SCREW

13

20Y-06-23760

BRACKET

14

01023-10510

SCREW

15

20Y-06-23770

CRIP

16

20Y-54-36981

PACKING

17

20Y-06-23790

CAP

18

20Y-979-2171

GRILLE

19

20Y-06-23810

STAY

20

01370-00512

SCREW

21

20Y-06-23431

SWITCHBVIIERSTOP

22

20Y-06-23441

SWITCHSWINGLOCK

23

20Y-06-23950

SWITCHWIPER

24

20Y-06-23421

SWITCHLIGHT

25

08086-20000

SWITCHSTARTER

26

20Y-06-23471

LIGHTER

27

20Y-06-23820

HOLDER

28

01023-10510

SCREW

29

20Y-06-23211

PANEL

30

20Y-977-2140

CONTROLASS'YHEATER

31

01023-10510

SCREW

32

20Y-06-23840

CAP

33

20Y-06-23461

SWITHHEATER

34

7825-30-1301

DIAL

35

01252-40410

BOLT

36

01601-20410

WASHER

Выбрано товаров: 36