Качественные детали и логистика
Оригинальные и аналоговые запчасти с доставкой по России, Казахстану и Беларуси
©2022 PartSell ООО "Система" ИНН 2463123282 ОГРН 1212400004838
Центральный офис: г. Красноярск, Академика Киренского, д.87, пом.4
Телефон: 8 (800) 777-65-74 Email: zakaz@partsell.ru
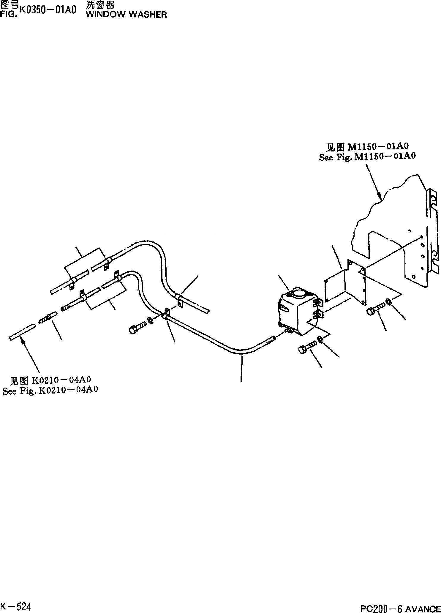
ОМЫВАТЕЛЬ СТЕКЛА
№
Артикул
Название
Примечание
Количество
1
21T-06-11350
TANKASS'Y
2
20Y-06-21612
BRACKET
3
01010-50616
BOLT
4
01643-31623
WASHER
5
01010-51225
6
01643-31232
7
20Y-06-22520
HOSE
8
21T-38-12270
CRIP
9
195-979-8590
VALVE
Выбрано товаров: 0