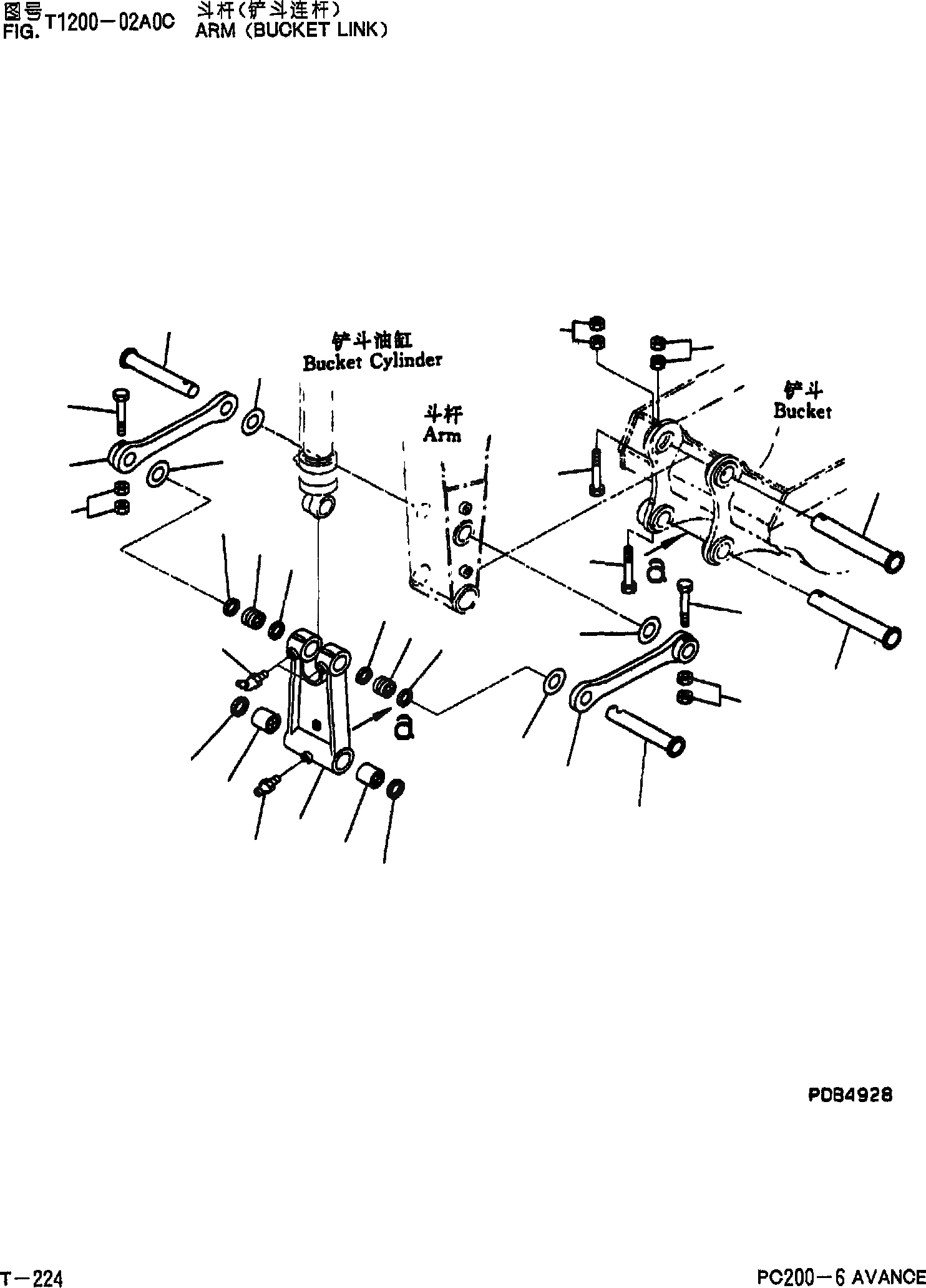
Запчасти Komatsu PC200-6 РУКОЯТЬ(СОЕДИНЕНИЕ КОВША) T [РАБОЧЕЕ ОБОРУДОВАНИЕ]

Схема запчастей Komatsu PC200-6 - РУКОЯТЬ(СОЕДИНЕНИЕ КОВША) T [РАБОЧЕЕ ОБОРУДОВАНИЕ]
10
11
9
6
2
6
6
6
2
4
7
3
5
1
3
7
10
8
11
9
15
18
16
12
8
13
12
13
14
17
19
FIT
1:1
100%

Артикул

Название

Примечание

Количество

|$1

20Y-70-00071

LINKASS'Y

1

LINK

2

205-70-73180

BUSHING

3

205-70-67150

BUSHING

4

07020-22675

FITTING

5

07020-0000

FITTING

6

20Y-70-23220

SEAL

7

20Y-70-23230

SEAL

8

205-70-73130

LINK

9

20Y-70-11320

SPACER,0.8MM

10

20Y-70-11330

SPACER,1.5MM

11

205-70-73160

PIN

12

205-70-73190

BOLT

13

01580-12016

NUT

14

205-70-73270

PIN

15

205-70-73190

BOLT

16

01580-12016

NUT

17

205-70-73270

PIN

18

362-46-11210

BOLT

19

01580-12016

NUT

Выбрано товаров: 20