Запчасти Komatsu PC200-6 ОСНОВН. НАСОС(/) Y [SERVICE KOT]

Схема запчастей Komatsu PC200-6 - ОСНОВН. НАСОС(/) Y [SERVICE KOT]
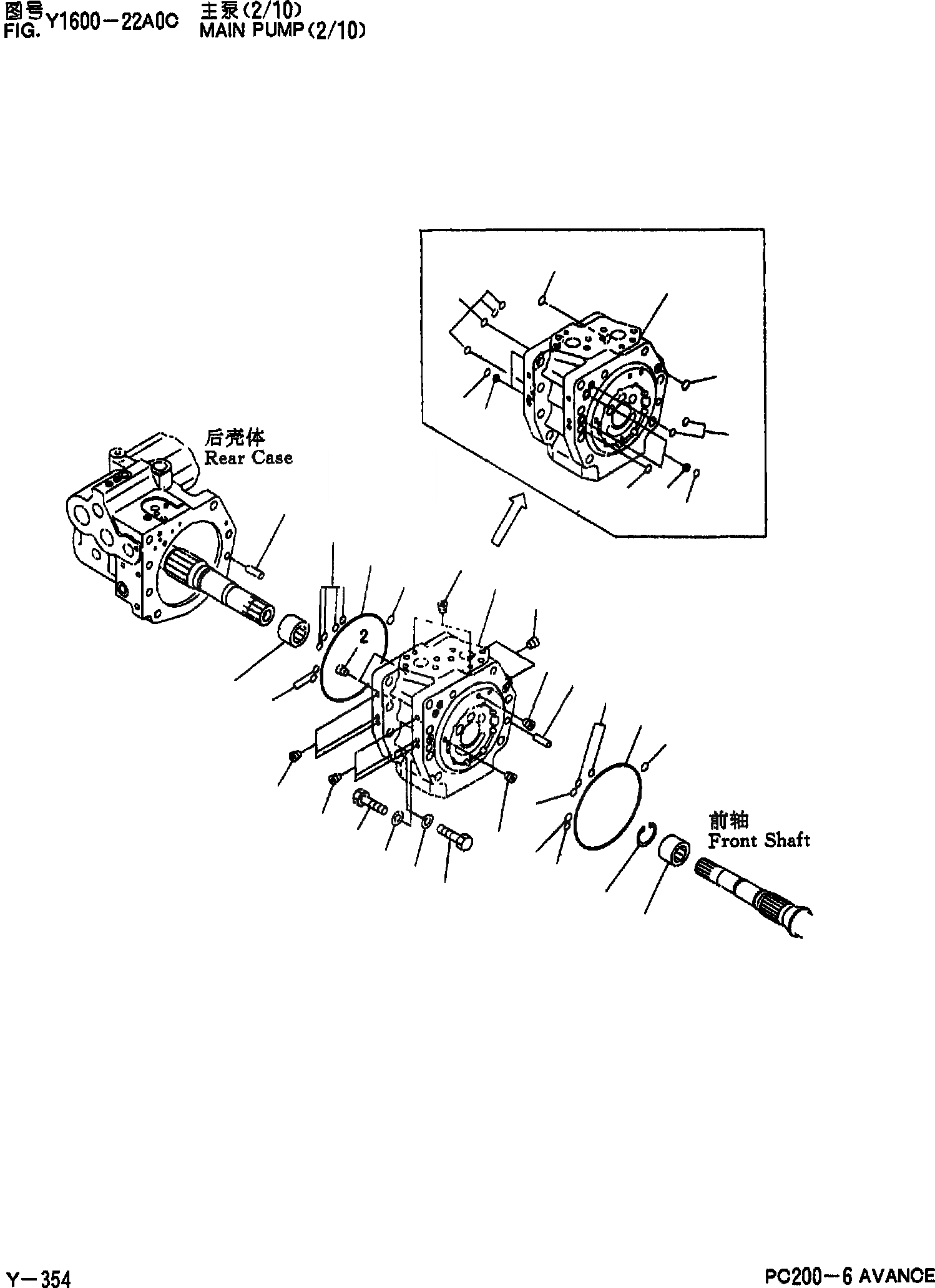
9
10
7
8
1
8
7
7
10
9
6
7
5
8
2
1
2
2
6
7
5
8
3
7
2
2
11
12
12
11
7
2
8
7
4
3
FIT
1:1
100%

Артикул

Название

Примечание

Количество

|$1

708-2L-00461

PUMPASS'Y

|$3

708-2L-01442

PUMPSUBASS'Y

|$4

708-2L-04240

CAPASS'Y,END

1

CAP,EN

2

PLU

3

708-2L-32260

BEARING

4

708-2L-22271

RING,SNAP

5

07000-A5165

O-RING

6

04020-01228

PIN

7

07000-B2010

O-RING

8

07000-B2012

O-RING

9

07000-B2014

O-RING

10

708-2L-25480

FILTER

11

01010-51450

BOLT

12

01643-31445

WASHER

Выбрано товаров: 0