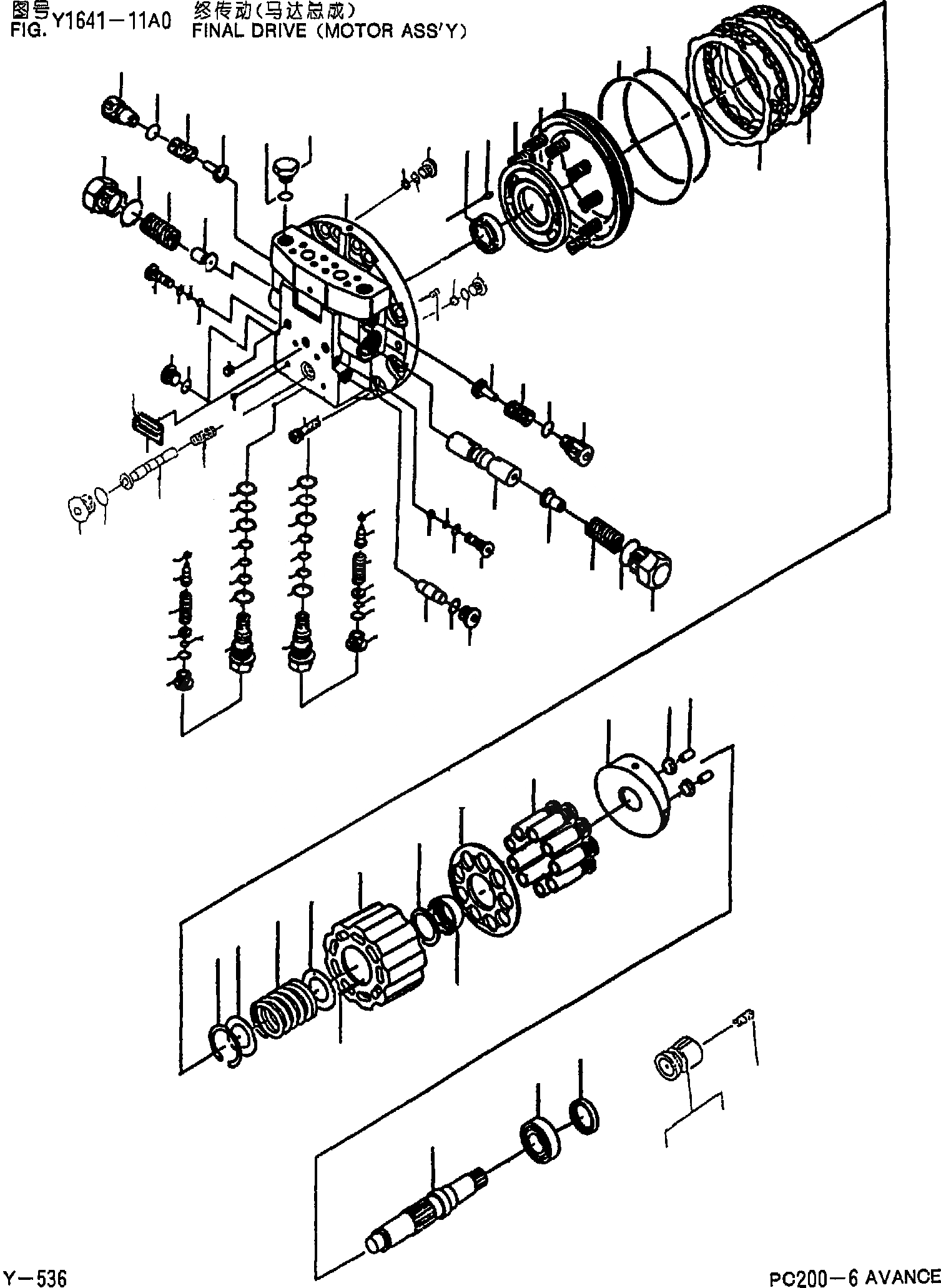
Запчасти Komatsu PC200-6 КОНЕЧНАЯ ПЕРЕДАЧА(МОТОР В СБОРЕ) Y [SERVICE KOT]

Схема запчастей Komatsu PC200-6 - КОНЕЧНАЯ ПЕРЕДАЧА(МОТОР В СБОРЕ) Y [SERVICE KOT]
42
47
45
43
51
49
40
46
44
41
55
54
56
57
53
50
59
58
60
61
62
63
36
24
29
26
32
27
25
25
35
33
30
33
34
34
34
34
31
31
33
33
30
35
28
48
68
37
64
65
66
21
67
12
14
13
18
19
16
15
64
65
52
66
43
45
47
42
55
38
57
56
54
39
50
53
41
44
46
40
36
24
29
26
27
28
32
8
5
7
5
2
6
3
1
11
22
23
4
9
10
20
17
10-1
10-2
10-3
FIT
1:1
100%

Артикул

Название

Примечание

Количество

|$1

20Y-27-D2000

FINALDRIVEASS'Y

|$2

TZ6T1B20000-00-1Y

MOTORASS'Y

|$3

TZ671B2205-00

CYLINDERKIT

1

TZ671B2040-03

PISTONASS'

|$5

TZ671B2005-02

PISTON

|$6

TZ671B2006-01

SHOE

2

TZ671B2004-01

BLOC

3

TZ671B2007-00

RETAINE

4

TZ671B2008-00

BAL

5

TZ80W0015-01

WASHE

6

6

TZ671B2011-01

COLLA

7

TZ671B2014-02

SPRIN

8

JISB2804-62

RIN

9

TZ1506-3.5X27.8F

ROLLE

|$16

TZ401B2070-00-A

PISTONASS'Y

10-1

TZ401-B2071-01-A

PISTON

10-2

TZ400B-2072-01

SHOE

10-3

TZ401B2093-00

SPRING

10

TZ671B2002-00

SHAFT

11

TZ671B2003-01-N

PLATE

12

TZ671B2009-01

PLATE

13

TZ671B4012-02

PISTON

14

TZ671B4013-00

SPRING

15

TZ671B4015-00

PLATE

16

TZ120F2016-00

PLATE

17

TZTCN-38X58X11

SEAL

18

TZ671B4035-00

O-RING

19

TZ671B4039-00

O-RING

20

TZ671B2048-00

BEARING

21

TZ671B2049-00

BEARING

22

TZ671B2076-02

PIVOT

23

TZ671B2077-01

PIN

|$34

TZ671B3000-03

RELIEFVALVEASS'Y

|$35

TZ671B3100-03-0A

VALVEKIT

24

TZ671B3002-02

VALV

25

TZ671B3003-03

SLEEV

26

TZ671B3004-01

RETAINE

27

TZ671B3005-00

PLU

28

TZ671B3006-00

SHI

29

TZ671B3008-01

SPRIN

30

07000-12016

O-RIN

31

07000-12022

O-RIN

32

07000-12018

O-RIN

33

07001-02016

RIN

34

TZJB2407T2P22

RIN

35

07000-13029

O-RIN

36

TZSPGO-7.5-10.5-1.5

SEA

|$49

TZ684B4000-01-B

CONTROLVALVEASS'Y

|$50

TZ684B4100-01-B

FLANGEASS'Y

37

TZ684B4001-00

FLANG

38

TZ671B4050-01-B

SPOO

39

TZ682B4081-00-A

PISTO

40

TZ100A2051-00

PLU

41

TZ140F2052-00

STOPPER

42

TZ120F2053-00

PLUG

43

TZ120F2054-00

VALVE

44

TZ100A2055-00

SPRING

45

TZ120F2055-00

SPRING

46

07000-13032

O-RING

47

07000-13022

O-RING

48

TZGDL-1/16-S

PLUG

49

TZ100A2021-00

PLUG

50

07000-12014

O-RING

51

07002-02034

O-RING

52

TZ263B2079-01

FILTER

53

TZ810B2021-00

PLUG

54

TZ682B4082-00

PLUG

55

07000-11005

O-RING

56

07000-11008

O-RING

57

TZSB0007-00

BALL

58

TZGM1-8

PLUG

59

TZ850A0006-D0

PLATE,NAME

60

TZ610B2021-00

PLUG

61

JISB2401-P18-90

O-RING

62

TZ678B4069-00

SPOOL

63

TZ678B4089-00

SPRING

64

JISB1501-318

STEELBALL

65

TZ512B2021-00

PLUG

66

JISB2401-P11-90

O-RING

67

JISB1354-6X14

PIN

68

JISB1176-M16X40-12.9

SOCKBOLT

Выбрано товаров: 82