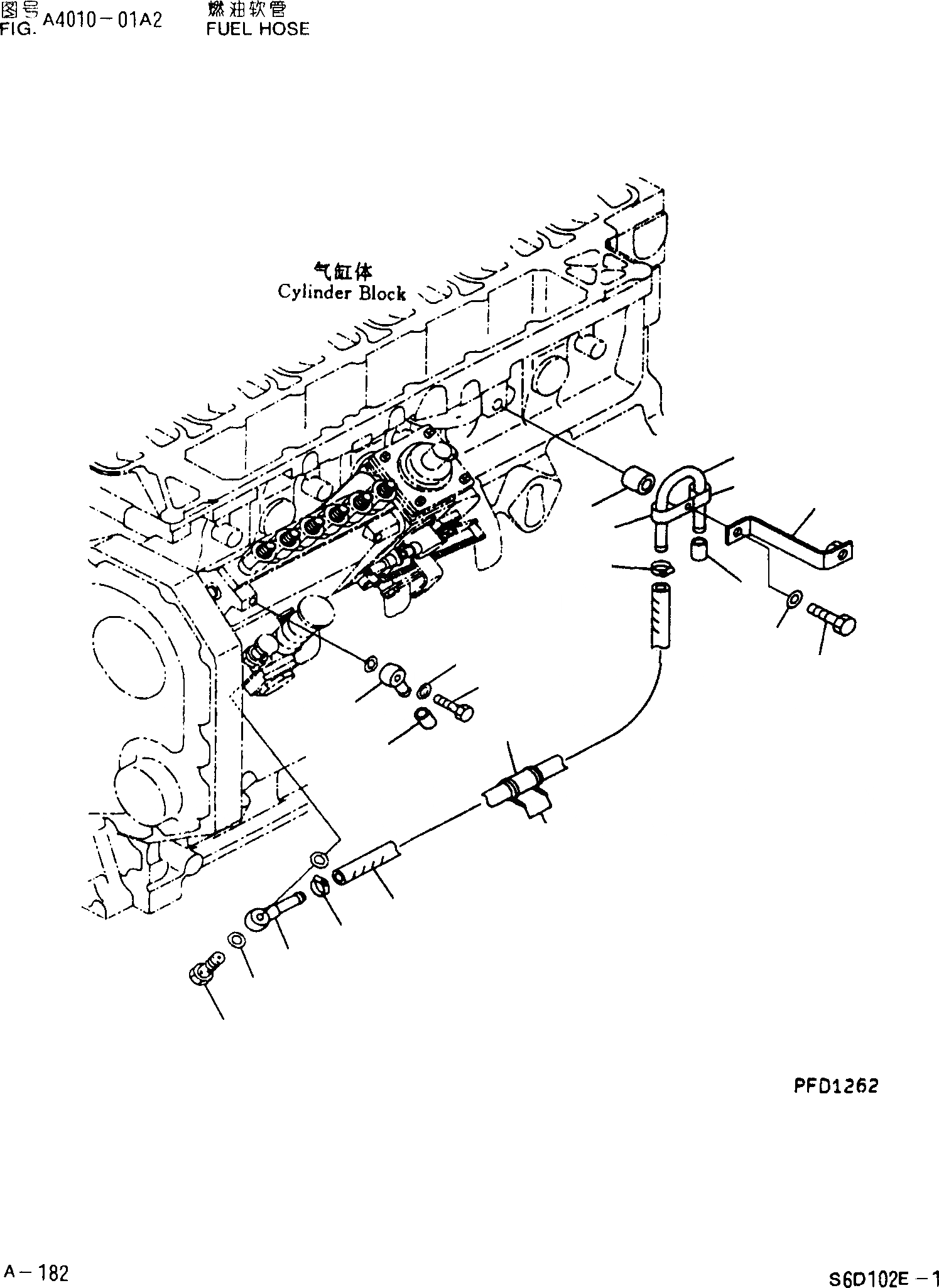
Запчасти Komatsu PC200-6 ТОПЛИВН. ШЛАНГИ ДВИГАТЕЛЬ SDE-C ДВИГАТЕЛЬ NO. 8 И UP]

Схема запчастей Komatsu PC200-6 - ТОПЛИВН. ШЛАНГИ ДВИГАТЕЛЬ SDE-C ДВИГАТЕЛЬ NO. 8 И UP]
2
1
15
14
7
9
10
8
9
13
1
12
11
6
5
4
7
3
15
16
FIT
1:1
100%

Артикул

Название

Примечание

Количество

1

6732-71-5740

CAP

2

6144-71-5750

JOINT

3

6141-71-1710

JOINT

4

07260-20940

HOSE

5

113-06-23220

COVER

6

08034-00414

BAND

7

07281-00197

CLAMP

8

6735-71-5710

TUBE

9

6735-71-5720

CLIP

10

6150-81-6950

SPACER

11

01050-31245

BOLT

12

01643-31232

WASHER

13

20Y-01-28442

BRACHET

14

DK131424-3420

BOLT

15

07005-01412

WASHER

16

DK152300-5920

BOLT

Выбрано товаров: 0