Качественные детали и логистика
Оригинальные и аналоговые запчасти с доставкой по России, Казахстану и Беларуси
©2022 PartSell ООО "Система" ИНН 2463123282 ОГРН 1212400004838
Центральный офис: г. Красноярск, Академика Киренского, д.87, пом.4
Телефон: 8 (800) 777-65-74 Email: zakaz@partsell.ru
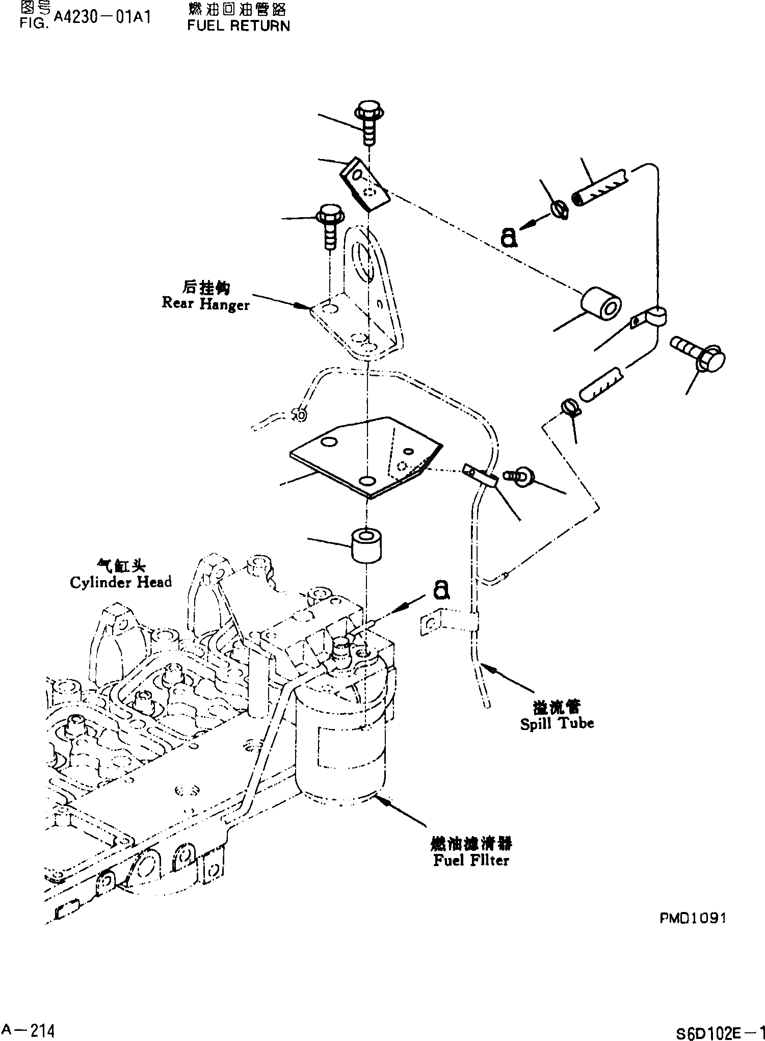
ВОЗВРАТ ТОПЛИВА
№
Артикул
Название
Примечание
Количество
1
6204-71-9420
HOSESPILL
2
07285-00100
CLIP
3
6732-71-5660
BRACKET
4
04434-50508
5
01435-00816
BOLT
6
6144-85-6680
SPACER
7
01435-01260
8
01435-01265
9
6735-21-5220
10
04434-51010
11
01435-21035
12
Выбрано товаров: 0