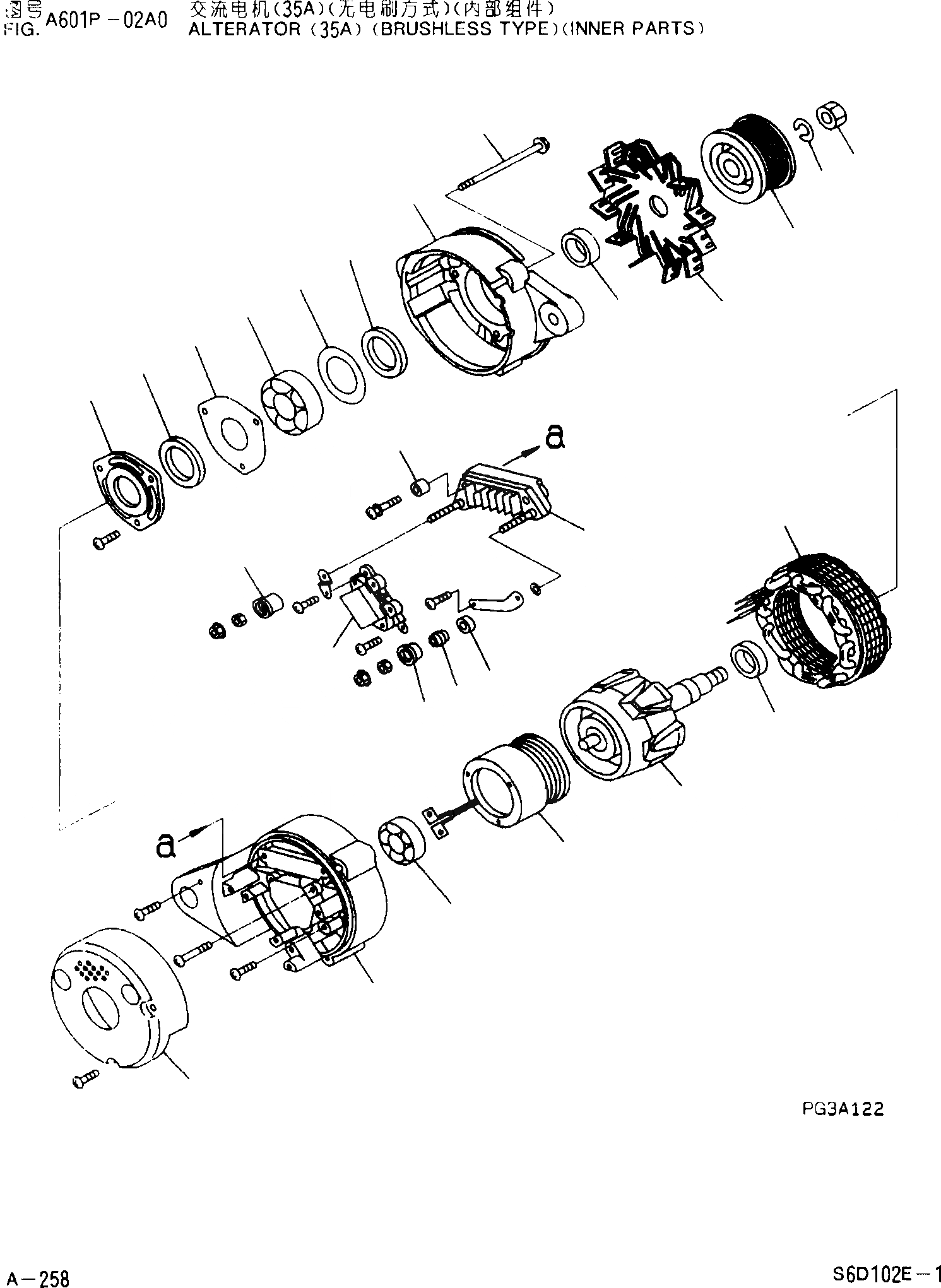
Запчасти Komatsu PC200-6 ГЕНЕРАТОР(A)(БЕСЩЕТОЧН. ТИП)(ВНУТР. ЧАСТИ) ДВИГАТЕЛЬ SDE-C ДВИГАТЕЛЬ NO. 8 И UP]

Схема запчастей Komatsu PC200-6 - ГЕНЕРАТОР(A)(БЕСЩЕТОЧН. ТИП)(ВНУТР. ЧАСТИ) ДВИГАТЕЛЬ SDE-C ДВИГАТЕЛЬ NO. 8 И UP]
11
4
6
9
8
7
6
5
23
2
13
12
14
15
20
25
21
19
22
18
10
2
1
16
3
17
24
FIT
1:1
100%

Артикул

Название

Примечание

Количество

|$1

600-861-3111

ALTERNATORASSEMBLY(35A)

1

KD0-35100-0280

ROTORASSEMBLY

2

KD1-33923-0790

COLLAR

3

KD0-09201-0870

BEARINGBALL

4

KD0-35300-0160

FRONTBRACKETASSEMBLY

5

KD0-35926-0070

RETAINER

6

KD0-35951-0060

PACKING

7

KD0-35926-0090

RETAINER

8

KD0-09201-0880

BEARINGBALL

9

KD1-33926-0730

RETAINER

10

KD0-35200-0400

STARTERASSEMBLY

11

KD0-0275-06802

BOLT

12

KD0-35411-0640

PULLEY

13

KD0-35421-0140

FAN

14

KD1-0335-16001

WASHERSPRING

15

KD0-0280-16022

NUT

16

KD0-35120-0450

FIELDCOIL

|$19

KD0-35700-0701

REARBRACHETASSEMBLY

17

KD0-35710-0810

BRACKET

18

KD0-35730-0510

RECTIFIERASSEMBLY

19

KD0-35923-0130

COLLAR

20

KD0-35943-0140

BUSHINGINSVLATE

21

KD0-35943-0150

BUSHINGINSVLATE

22

KD0-35943-0160

BUSHINGINSVLATE

23

KD0-35943-0170

BUSHINGINSVLATE

24

KD0-35719-1850

REGULATORASSEMBLY

25

KD0-35761-0200

COVER

Выбрано товаров: 0