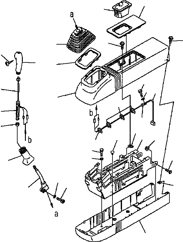
Запчасти Komatsu PC200-6B ОСНОВН. КОНСТРУКЦИЯ (ЛЕВ. СТОЙКА) (РЫЧАГ И COVER) (РЫЧАГ С КЛАПАНОМ PPC) КАБИНА ОПЕРАТОРА И СИСТЕМА УПРАВЛЕНИЯ

Схема запчастей Komatsu PC200-6B - ОСНОВН. КОНСТРУКЦИЯ (ЛЕВ. СТОЙКА) (РЫЧАГ И COVER) (РЫЧАГ С КЛАПАНОМ PPC) КАБИНА ОПЕРАТОРА И СИСТЕМА УПРАВЛЕНИЯ
2
3
7
6
10
9
4
5
13
11
12
11
16
17
14
18
19
22
24
15
25
21
28
27
23
24
20
28
29
1
8
FIT
1:1
100%

Артикул

Название

Примечание

Количество

|$1

20Y-43-21613

LEVER ASS’Y, L.H.

1

20Y-43-22211

LEVER, L.H.

|$3

20Y-43-22233

KNOB, L.H.

2

01370-10308

SCREW

3

20Y-43-22381

KNOB

|4

20Y-43-00010

SWITCH ASS’Y

4

20Y-43-22421

INSERT

5

20Y-43-22441

SWITCH, L.H.

6

20Y-43-22250

PLATE

7

20Y-43-22261

BOOT

8

20Y-43-22370

BOOT

9

600-411-1280

NUT

10

20Y-43-22121

CASE

11

20Y-43-16590

SCREW

|12

20Y-43-22451

COVER ASS’Y

12

20Y-43-22152

COVER, L.H.

13

20Y-06-21751

ASHTRAY

14

20Y-06-21350

WIRING HARNESS

15

04434-51408

CLIP

16

01010-80820

BOLT

17

01643-30823

WASHER

18

08034-00519

BAND

19

08034-00310

BAND

|20

20Y-43-21651

COVER ASS’Y

20

20Y-43-22111

CASE

21

20Y-43-22131

FRAME

22

20Y-43-22310

CLIP

23

20Y-43-22470

BOLT

24

20Y-43-22480

SPRING

25

198-911-5530

NUT

26

01010-81025

BOLT

27

01643-31032

WASHER

28

01252-41025

BOLT

29

01643-51032

WASHER

Выбрано товаров: 0