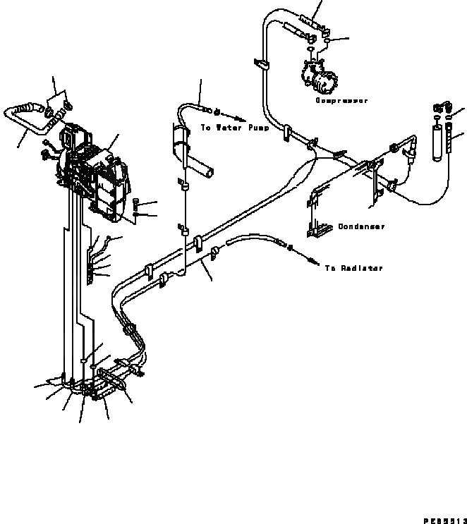
Запчасти Komatsu PC200-6B ОСНОВН. КОНСТРУКЦИЯ (ЭЛЕКТРИЧ. РЕГУЛЯТОР) (БЛОК КОНДИЦИОНЕРА) КАБИНА ОПЕРАТОРА И СИСТЕМА УПРАВЛЕНИЯ

Схема запчастей Komatsu PC200-6B - ОСНОВН. КОНСТРУКЦИЯ (ЭЛЕКТРИЧ. РЕГУЛЯТОР) (БЛОК КОНДИЦИОНЕРА) КАБИНА ОПЕРАТОРА И СИСТЕМА УПРАВЛЕНИЯ
16
14
15
10
12
17
11
13
14
6
7
6
4
5
3
2
1
8
9
15
11
10
13
12
FIT
1:1
100%

Артикул

Название

Примечание

Количество

1

20Y-979-3711

UNIT ASS’Y

2

01010-81020

BOLT

3

01643-31032

WASHER

4

20Y-979-3720

HOSE

5

20Y-979-3730

HOSE

6

08034-00519

BAND

7

08017-32801

CONDUIT

8

20Y-979-2181

HOSE

9

07281-00419

CLAMP

10

20Y-979-3431

HOSE

11

20Y-979-3130

O-RING

12

20Y-979-3330

HOSE

13

20Y-979-3150

O-RING

14

20Y-979-2382

HOSE

15

20Y-979-2391

HOSE

16

09480-10100

CLAMP

17

08034-00536

BAND

Выбрано товаров: 17