Запчасти Komatsu PC200-6B ОСНОВН. НАСОС (/) ОСНОВН. КОМПОНЕНТЫ И РЕМКОМПЛЕКТЫ

Схема запчастей Komatsu PC200-6B - ОСНОВН. НАСОС (/) ОСНОВН. КОМПОНЕНТЫ И РЕМКОМПЛЕКТЫ
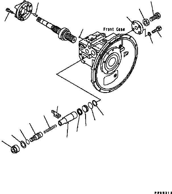
3
1
2
10
14
13
12
11
9
8
7
5
4
6
15
16
17
18
19
FIT
1:1
100%

Артикул

Название

Примечание

Количество

|1

708-2L-00461

PUMP ASS’Y

|1

708-2L-01442

PUMP SUB ASS’Y

1

04020-01228

PIN

2

07000-B1009

O-RING

3

01252-61230

BOLT

4

708-2L-24513

PISTON,SERVO

5

708-2L-24670

SEAL

6

708-2L-24570

SLIDER

7

708-2L-24560

STOPPER

8

07000-B3040

O-RING

9

07001-03040

RING,BACK-UP

10

708-2L-24522

COVER

11

01252-61445

BOLT

12

113-43-31380

WASHER

13

708-2L-24640

BOLT

14

708-2L-24650

NUT

15

708-2L-24630

SPRING

16

708-2L-24531

SCREW

17

708-2L-24620

O-RING

18

708-2L-24661

WASHER

19

708-2L-24590

NUT

Выбрано товаров: 21