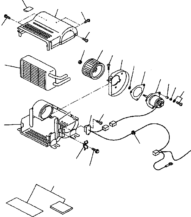
Запчасти Komatsu PC200-6B ОБОГРЕВАТЕЛЬ. ASS’Y ( KCAL) (ДЛЯ ОБОГРЕВАТЕЛЬ.) ОСНОВН. КОМПОНЕНТЫ И РЕМКОМПЛЕКТЫ

Схема запчастей Komatsu PC200-6B - ОБОГРЕВАТЕЛЬ. ASS’Y ( KCAL) (ДЛЯ ОБОГРЕВАТЕЛЬ.) ОСНОВН. КОМПОНЕНТЫ И РЕМКОМПЛЕКТЫ
16
3
1
20
5
4
8
18
16
15
9
10
11
6
7
14
17
16
12
13
16
16
2
19
FIT
1:1
100%

Артикул

Название

Примечание

Количество

|1

20Y-977-2120

HEATER ASS’Y

1

ND116460-5540

CASE, LOWER

2

ND116460-5550

CASE, UPPER

3

ND116410-2841

RADIATOR

4

ND146681-7711

CLAMP

5

ND91570-06141

BOLT

6

ND062500-3731

MOTOR

7

ND062852-0030

CUSHION, RUBBER

8

ND146810-3230

RESISTOR, BLOWER

9

ND949007-0240

SCREW AND WASHER

10

ND949194-0040

PLATE

11

ND949197-0180

RUBBER, RUBBER

12

ND116221-0461

FAN, BLOWER

13

ND949056-2230

NUT

14

ND949011-7650

WASHER

15

ND949321-2631

GROMMET

16

ND949001-1821

SCREW

17

ND146640-3461

PLATE

18

ND146659-1350

PACKING

19

ND116253-0440

GUIDE

20

ND017300-0790

. ACCESSORY ASS’Y

Выбрано товаров: 21