Качественные детали и логистика
Оригинальные и аналоговые запчасти с доставкой по России, Казахстану и Беларуси
©2022 PartSell ООО "Система" ИНН 2463123282 ОГРН 1212400004838
Центральный офис: г. Красноярск, Академика Киренского, д.87, пом.4
Телефон: 8 (800) 777-65-74 Email: zakaz@partsell.ru
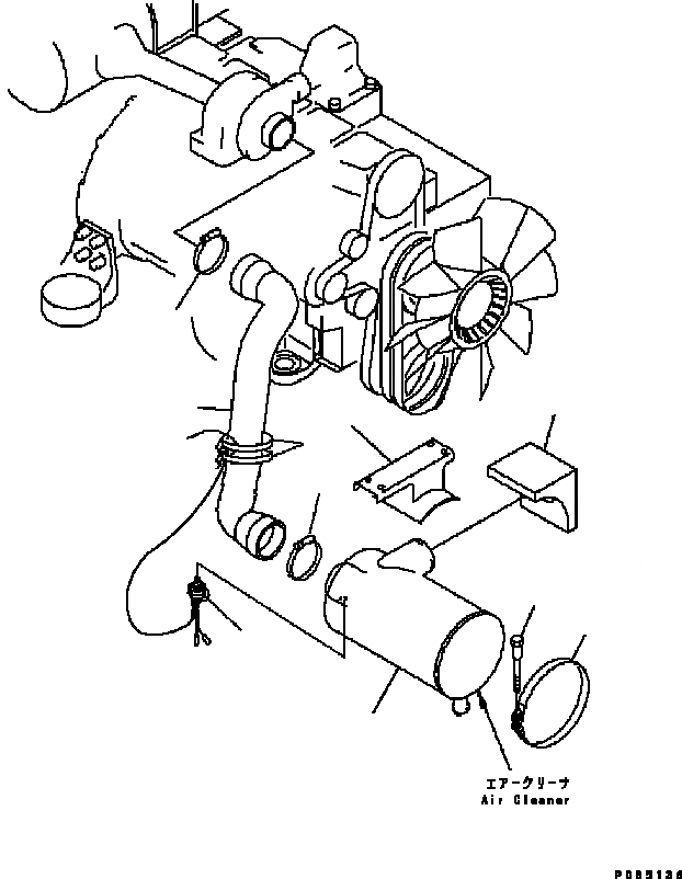
СОЕДИНЕНИЯ ВОЗДУХООЧИСТИТЕЛЯ(ДЛЯ ДВОЙН. ЭЛЕМЕНТА)
№
Артикул
Название
Примечание
Количество
1
6735-81-7200
AIR CLEANER ASS'Y
2
20Y-54-27551
SEAL
3
6131-11-4520
BAND ASS’Y
4
6643-11-4641
BOLT
5
20Y-54-B1330
FRAME
|5
20Y-54-29194
6
20Y-01-29210
HOSE
7
07289-00120
CLAMP
8
7861-91-1420
SENSOR
9
08034-00834
BAND
Выбрано товаров: 0