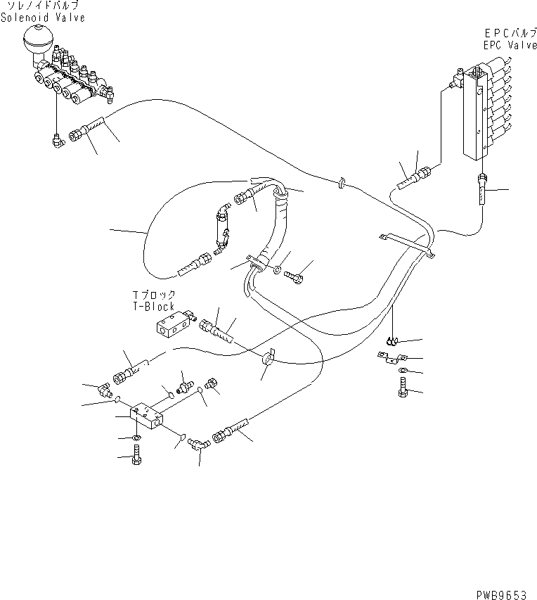
Запчасти Komatsu PC200-6H ОСНОВН. КОНСТРУКЦИЯ (РАБОЧАЯ ЛИНИЯ PPC) (ЛИНИЯ КЛАПАНА EPC) (EPC)(№9-8) КАБИНА ОПЕРАТОРА И СИСТЕМА УПРАВЛЕНИЯ

Схема запчастей Komatsu PC200-6H - ОСНОВН. КОНСТРУКЦИЯ (РАБОЧАЯ ЛИНИЯ PPC) (ЛИНИЯ КЛАПАНА EPC) (EPC)(№9-8) КАБИНА ОПЕРАТОРА И СИСТЕМА УПРАВЛЕНИЯ
1
1
2
2
3
3
4
4
5
5
6
7
8
9
10
10
11
12
13
14
15
16
17
18
19
20
20
21
22
23
24
FIT
1:1
100%

Артикул

Название

Примечание

Количество

1

20Y-62-22890

HOSE¤ 2950MM

2

20Y-62-22790

BAND¤ RED

3

20Y-62-22910

HOSE¤ 1050MM

4

20Y-62-23480

HOSE¤ 1450MM

5

20Y-62-22820

BAND¤ BLUE

6

20Y-62-22190

CLAMP

7

04435-51608

CLIP

8

01010-80816

BOLT

9

01643-30823

WASHER

10

20Y-62-23510

HOSE¤ 1200MM

11

20Y-62-22151

BLOCK

12

01010-81050

BOLT

13

01643-31032

WASHER

14

07235-10315

ELBOW

15

07002-02034

O-RING

16

07235-10311

ELBOW

|16

207-62-33920

ELBOW

17

07002-01423

O-RING

18

07230-20210

UNION

19

07040-11409

PLUG

20

07002-01423

O-RING

21

20Y-62-22210

BRACKET

22

01010-81016

BOLT

23

01643-31032

WASHER

24

08034-00519

BAND

Выбрано товаров: 25