Запчасти Komatsu PC200-6J БЛОК В СБОРЕ (ОХЛАЖД-Е) (С КОНДИЦИОНЕРОМ)(№9999-9) ОСНОВН. КОМПОНЕНТЫ И РЕМКОМПЛЕКТЫ

Схема запчастей Komatsu PC200-6J - БЛОК В СБОРЕ (ОХЛАЖД-Е) (С КОНДИЦИОНЕРОМ)(№9999-9) ОСНОВН. КОМПОНЕНТЫ И РЕМКОМПЛЕКТЫ
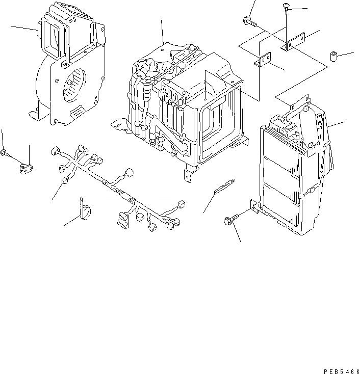
1
2
3
4
4
5
6
7
8
9
10
11
12
13
FIT
1:1
100%

Артикул

Название

Примечание

Количество

|1

20Y-979-3710

UNIT ASS'Y

1

ND116300-4551

BLOWER ASS'Y

2

ND445800-9052

CORE UNIT ASS'Y

3

ND146340-0470

FILTER BOX ASS'Y

4

ND90930-06141

SCREW

5

ND246460-1510

WIRING HARNESS

6

417-963-3180

BOLT

7

ND017660-3970

BRACKET

8

ND017660-3980

BRACKET

9

195-979-4160

BUSHING

10

ND146681-9131

CLAMP

11

ND146691-2790

CLAMP

12

ND040031-0110

BAND

13

ND949047-1270

BOLT

Выбрано товаров: 14