Качественные детали и логистика
Оригинальные и аналоговые запчасти с доставкой по России, Казахстану и Беларуси
©2022 PartSell ООО "Система" ИНН 2463123282 ОГРН 1212400004838
Центральный офис: г. Красноярск, Академика Киренского, д.87, пом.4
Телефон: 8 (800) 777-65-74 Email: zakaz@partsell.ru
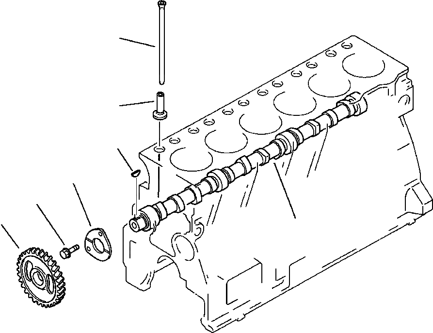
FIG NO. A-BA7 РАСПРЕДВАЛ
№
Артикул
Название
Примечание
Количество
|$0
6207-41-1100
CAMSHAFT ASSEMBLY
1
NSS
CAMSHAFT
2
6206-41-1220
GEAR, CAMSHAFT
3
04010-00516
KEY
4
6206-41-1131
PLATE, THRUST
5
01435-20820
BOLT
6
6204-41-2110
TAPPET
7
6204-41-3110
ROD, PUSH
Выбрано товаров: 0