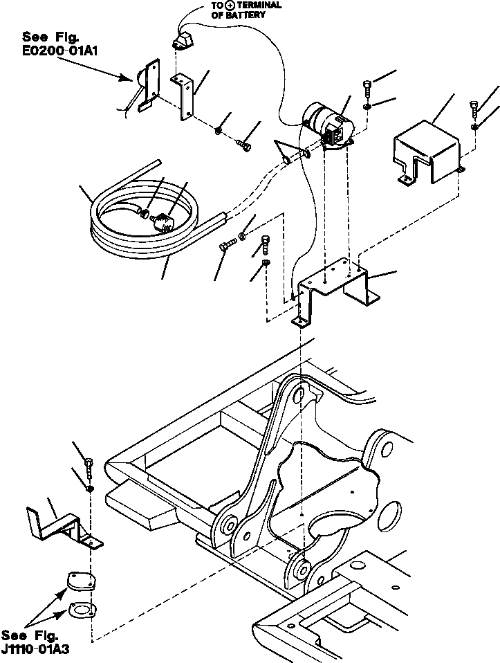
Запчасти Komatsu PC200-6L FIG NO. W- НАСОС АВТОМАТИЧ. ЗАПРАВКИ ТОПЛИВА РАЗНОЕ

Схема запчастей Komatsu PC200-6L - FIG NO. W- НАСОС АВТОМАТИЧ. ЗАПРАВКИ ТОПЛИВА РАЗНОЕ
12
2
10
9
1
3
11
14
13
20
22
21
19
5
7
6
18
4
8
16
17
15
FIT
1:1
100%

Артикул

Название

Примечание

Количество

1

20Y-04-21310

PUMP

2

01010-50830

BOLT

3

01643-30823

WASHER

4

01010-50820

BOLT

5

01643-30823

WASHER

6

20Y-04-21330

BRACKET

7

01010-51220

BOLT

8

01643-31232

WASHER

9

20Y-04-21340

COVER

10

01010-50820

BOLT

11

01643-30823

WASHER

12

20Y-04-21360

BRACKET

13

01010-50835

BOLT

14

01643-30823

WASHER

15

20Y-04-21350

BRACKET

16

01010-51235

BOLT

17

01643-31232

WASHER

18

07261-22050

HOSE

19

07261-22022

HOSE

20

07281-00359

CLAMP

21

207-04-31150

STRAINER

22

07281-00359

CLAMP

Выбрано товаров: 22