Качественные детали и логистика
Оригинальные и аналоговые запчасти с доставкой по России, Казахстану и Беларуси
©2022 PartSell ООО "Система" ИНН 2463123282 ОГРН 1212400004838
Центральный офис: г. Красноярск, Академика Киренского, д.87, пом.4
Телефон: 8 (800) 777-65-74 Email: zakaz@partsell.ru
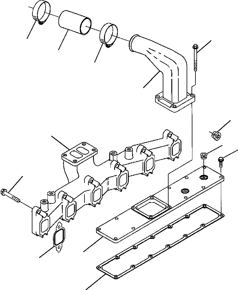
МЕСТО ТУРБОНАГНЕТАТЕЛЯ
№
Артикул
Название
Примечание
Количество
1
6732-11-1910
PLUG, PIPE (1/2 NPTF)
2
6732-11-1920
PLUG, PIPE (3/4 NPTF)
3
6736-81-1810
CLAMP, HOSE
4
6735-11-4410
PIPE, AIR INLET
5
6735-11-4810
GASKET, INTAKE MANIFOLD COVER
6
1307 217 H1
HOSE, PLAIN
8
6732-11-4160
BOLT (M8x1.25x25)
9
1307 218 H1
BOLT (M8x1.25x90)
10
1307 235 H1
COVER, INTAKE MANIFOLD
11
1307 219 H1
BOLT (M10x1.50x65)
12
6736-11-5810
GASKET, EXHAUST MANIFOLD
Выбрано товаров: 0