Запчасти Komatsu PC200-6S ОСНОВН. ЛИНИЯ PPC (КЛАПАН ЛИНИИ PPCS)(№C78-) ГИДРАВЛИКА

Схема запчастей Komatsu PC200-6S - ОСНОВН. ЛИНИЯ PPC (КЛАПАН ЛИНИИ PPCS)(№C78-) ГИДРАВЛИКА
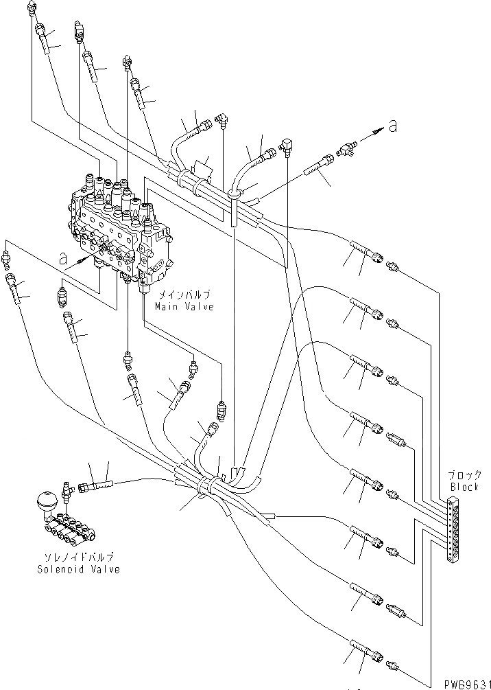
1
1
2
2
3
3
4
4
5
5
6
6
7
7
8
9
9
10
10
11
11
11
11
12
12
13
13
14
14
15
15
16
16
17
17
18
18
19
19
19
FIT
1:1
100%

Артикул

Название

Примечание

Количество

1

203-62-52310

HOSE¤ 700MM

2

203-62-62632

HOSE¤ 450MM

3

20Y-62-22672

HOSE¤ 355MM

4

20Y-62-22782

HOSE¤ 650MM

5

20Y-62-22790

BAND¤ RED

6

20Y-62-22830

BAND¤ WHITE

7

20Y-62-22840

BAND¤ BLACK

8

08034-00536

BAND

9

20Y-62-22772

HOSE¤ 700MM

10

20Y-62-22662

HOSE¤ 470MM

11

20Y-62-22722

HOSE¤ 535MM

12

20Y-62-23832

HOSE¤ 800MM

13

203-62-52280

HOSE¤ 900MM

14

20Y-62-22810

BAND¤ YELLOW

15

20Y-62-22820

BAND¤ BLUE

16

20Y-62-22830

BAND¤ WHITE

17

20Y-62-22850

BAND¤ GREEN

18

20Y-62-22860

BAND¤ BROWN

19

08034-00536

BAND

Выбрано товаров: 19