Качественные детали и логистика
Оригинальные и аналоговые запчасти с доставкой по России, Казахстану и Беларуси
©2022 PartSell ООО "Система" ИНН 2463123282 ОГРН 1212400004838
Центральный офис: г. Красноярск, Академика Киренского, д.87, пом.4
Телефон: 8 (800) 777-65-74 Email: zakaz@partsell.ru
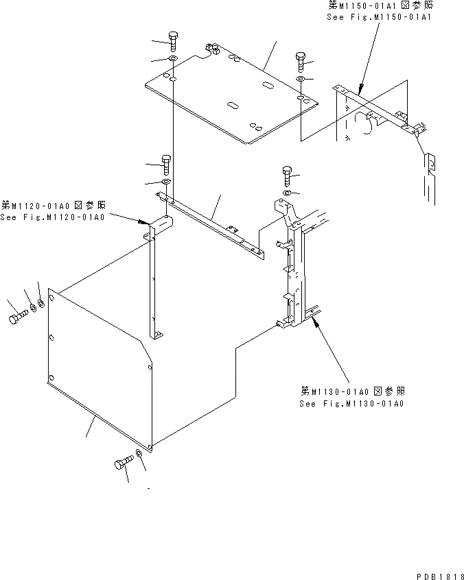
ПЕРЕГОРОДКА. (МОРОЗОУСТОЙЧИВ. СПЕЦИФ-Я)(№89-9)
№
Артикул
Название
Примечание
Количество
1
20Y-977-6120
COVER
2
20Y-54-29481
3
01010-51230
BOLT
4
175-54-34170
WASHER
5
20Y-54-29184
FRAME
6
7
01643-31232
8
9
10
20Y-54-29740
COLLAR
Выбрано товаров: 0