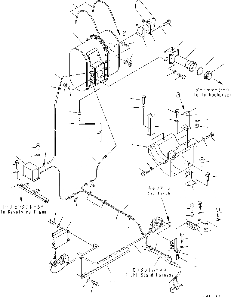
Запчасти Komatsu PC200-6Z КЕРАМИЧ. ГЛУШИТЕЛЬ(№9-7) КОМПОНЕНТЫ ДВИГАТЕЛЯ

Схема запчастей Komatsu PC200-6Z - КЕРАМИЧ. ГЛУШИТЕЛЬ(№9-7) КОМПОНЕНТЫ ДВИГАТЕЛЯ
1
2
3
4
5
6
7
8
8
9
10
11
12
13
14
15
16
17
18
19
19
20
20
21
22
23
24
24
25
26
26
26
27
28
29
30
31
32
33
34
35
36
37
38
39
40
41
42
42
43
44
45
46
47
48
49
50
51
51
52
53
54
55
56
57
58
59
60
61
62
63
FIT
1:1
100%

Артикул

Название

Примечание

Количество

1

6138-12-5513

MUFFLER

2

01220-40540

SCREW

3

01580-10504

NUT

4

20Y-01-21870

TUBE

5

20Y-01-21880

ADAPTER

6

6136-12-5280

RING

7

01010-81240

BOLT

8

01643-31232

WASHER

9

01580-11210

NUT

10

6138-11-5810

GASKET

11

20Y-01-21560

PIPE

12

01010-81225

BOLT

13

01643-31232

WASHER

14

6138-11-5810

GASKET

15

6124-11-6151

NIPPLE

16

6209-11-5490

TUBE

17

20Y-01-21810

BRACKET

18

01435-01025

BOLT

19

01010-81230

BOLT

20

01643-31232

WASHER

21

20Y-01-21840

BRACKET

22

01435-01255

BOLT

23

20Y-01-21851

BRACKET

24

01010-81035

BOLT

25

01010-81040

BOLT

26

01643-31032

WASHER

27

21T-72-14930

BOSS

28

20Y-01-21830

BRACKET

29

01010-81230

BOLT

30

01643-31232

WASHER

31

20Y-01-21820

BRACKET

32

01010-81230

BOLT

33

01643-31232

WASHER

34

20Y-01-21510

U-BOLT

35

01580-11008

NUT

36

01643-31032

WASHER

37

6138-82-5561

SENSOR

38

08053-01512

CLIP

39

20Y-06-22670

WIRING HARNESS

40

6138-12-5570

TUBE

41

07288-20645

HOSE

42

07285-00100

CLIP

43

6138-82-5550

SENSOR

44

20Y-01-21551

BRACKET

45

01010-80816

BOLT

46

01643-30823

WASHER

47

01010-81245

BOLT

48

01643-31232

WASHER

49

20Y-06-24870

WIRING HARNESS

50

08053-01512

CLIP

51

08034-00519

BAND

52

6138-82-5510

MONITOR ASS'Y

53

01010-80825

BOLT

54

01643-30823

WASHER

55

203-06-66160

COVER

56

203-06-66140

WIRING HARNESS

57

01010-81020

BOLT

58

01643-31032

WASHER

59

20Y-01-21860

BRACKET

60

01010-81075

BOLT

61

01643-31032

WASHER

62

195-979-5190

COLLAR

63

20Y-06-22660

WIRING HARNESS

Выбрано товаров: 63