Запчасти Komatsu PC200-6Z КЕРАМИЧ. ГЛУШИТЕЛЬ(№7-) КОМПОНЕНТЫ ДВИГАТЕЛЯ

Схема запчастей Komatsu PC200-6Z - КЕРАМИЧ. ГЛУШИТЕЛЬ(№7-) КОМПОНЕНТЫ ДВИГАТЕЛЯ
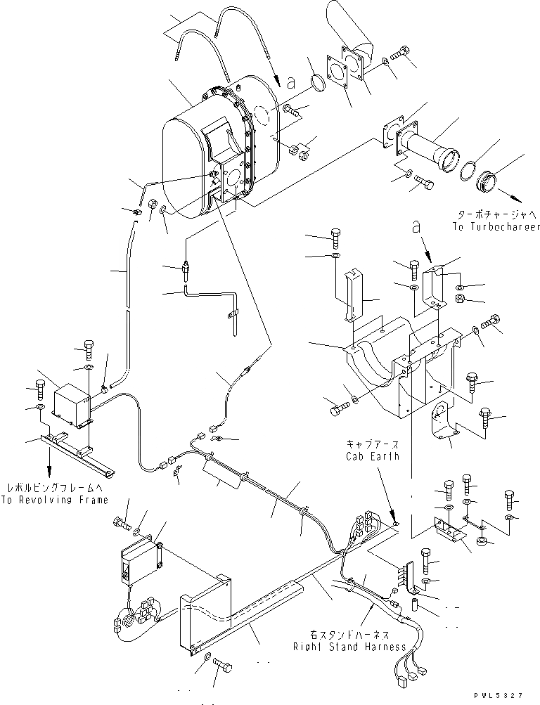
1
2
3
4
5
6
7
8
9
10
11
12
13
14
15
16
17
18
19
20
21
21
22
22
23
24
25
26
26
27
27
28
29
30
31
32
33
34
35
36
37
38
39
40
41
42
43
44
45
45
46
47
48
49
50
51
52
53
54
54
55
56
57
58
59
60
61
62
63
64
65
66
FIT
1:1
100%

Артикул

Название

Примечание

Количество

1

6138-12-5514

MUFFLER

2

01220-40540

SCREW

3

01580-10504

NUT

4

20Y-01-21870

TUBE

5

20Y-01-21880

ADAPTER

6

6136-12-5280

RING

7

6732-81-8220

CLAMP,V BAND

8

01010-81240

BOLT

9

01643-31232

WASHER

10

01643-31232

WASHER

|10

01643-31232

WASHER

11

01580-11210

NUT

12

6138-11-5810

GASKET

13

20Y-01-21560

PIPE

14

01010-81225

BOLT

15

01643-31232

WASHER

16

6138-11-5810

GASKET

17

6124-11-6151

NIPPLE

18

6209-11-5490

TUBE

19

20Y-01-21810

BRACKET

20

01435-01025

BOLT

21

01010-81230

BOLT

22

01643-31232

WASHER

23

20Y-01-21840

BRACKET

24

01435-01255

BOLT

25

20Y-01-21851

BRACKET

26

01010-81035

BOLT

27

01643-31032

WASHER

28

01010-81040

BOLT

29

01643-31032

WASHER

|29

01643-31032

WASHER

30

21T-72-14930

BOSS

31

20Y-01-21830

BRACKET

32

01010-81230

BOLT

33

01643-31232

WASHER

34

20Y-01-21820

BRACKET

35

01010-81230

BOLT

36

01643-31232

WASHER

37

20Y-01-21510

U-BOLT

38

01580-11008

NUT

39

01643-31032

WASHER

40

6138-82-5561

SENSOR

41

08053-01512

CLIP

42

20Y-06-22670

WIRING HARNESS

43

6138-12-5570

TUBE

44

07288-20645

HOSE

45

07285-00100

CLIP

46

6138-82-5550

SENSOR

47

20Y-01-21551

BRACKET

48

01010-80816

BOLT

49

01643-30823

WASHER

50

01010-81245

BOLT

51

01643-31232

WASHER

52

20Y-06-24870

WIRING HARNESS

53

08053-01512

CLIP

54

08034-00519

BAND

55

6138-82-5510

MONITOR ASS'Y

56

01010-80825

BOLT

57

01643-30823

WASHER

58

203-06-66160

COVER

59

203-06-66140

WIRING HARNESS

60

01010-81020

BOLT

61

01643-31032

WASHER

62

20Y-01-21860

BRACKET

63

01010-81075

BOLT

64

01643-31032

WASHER

65

195-979-5190

COLLAR

66

20Y-06-22660

WIRING HARNESS

Выбрано товаров: 0