Запчасти Komatsu PC200-6Z ГИДРОЛИНИЯ СТРЕЛЫ (КЛАПАН СТРЕЛА РАМА)(№89-) ГИДРАВЛИКА

Схема запчастей Komatsu PC200-6Z - ГИДРОЛИНИЯ СТРЕЛЫ (КЛАПАН СТРЕЛА РАМА)(№89-) ГИДРАВЛИКА
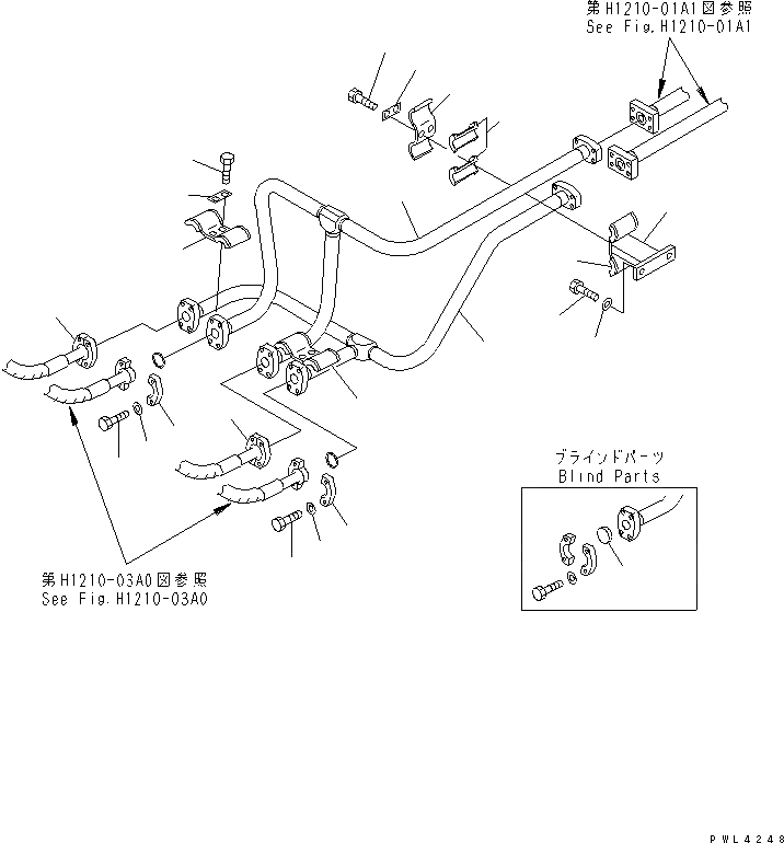
1
2
2
3
4
5
6
6
7
8
9
10
11
12
13
13
13
14
15
15
16
16
17
FIT
1:1
100%

Артикул

Название

Примечание

Количество

1

20Y-62-21194

TUBE

2

07371-30640

FLANGE

3

07372-21035

BOLT

4

01643-51032

WASHER

5

20Y-62-21810

TUBE

6

07371-30640

FLANGE

7

07372-21035

BOLT

8

01643-51032

WASHER

9

20Y-62-21650

CLAMP

10

20Y-62-13760

SEAT

11

01010-81235

BOLT

|11

01010-51235

BOLT

12

01643-31232

WASHER

13

20Y-62-13230

CLAMP

14

20Y-62-13760

SEAT

15

01010-81235

BOLT

|15

01010-51235

BOLT

16

20Y-62-13450

PLATE

17

07378-10600

HEAD

Выбрано товаров: 19