Запчасти Komatsu PC200-7-AA НАВЕСНОЕ ОБОРУД-Е (ОСНОВН. ПРАВ.) ( АКТУАТОР) (СПЕЦИФ-Я С ОТВАЛОМ) ГИДРАВЛИКА

Схема запчастей Komatsu PC200-7-AA - НАВЕСНОЕ ОБОРУД-Е (ОСНОВН. ПРАВ.) ( АКТУАТОР) (СПЕЦИФ-Я С ОТВАЛОМ) ГИДРАВЛИКА
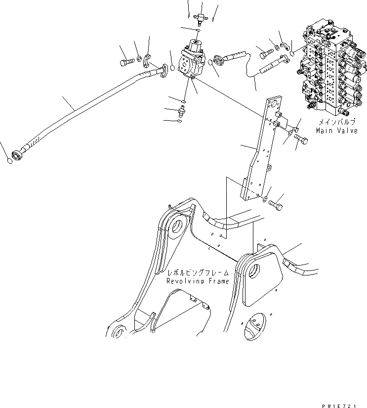
1
2
3
4
5
6
7
8
9
9
10
11
12
13
14
14
15
16
17
18
19
20
21
22
22
23
FIT
1:1
100%

Артикул

Название

Примечание

Количество

1

702-21-01910

VALVE ASS'Y

2

01010-81040

BOLT

3

01643-31032

WASHER

4

20Y-62-43270

BRACKET

5

07049-01215

PLUG

6

01010-81285

BOLT

7

01643-31232

WASHER

8

07097-01005

HOSE

9

21T-09-11460

O-RING

10

07371-31049

FLANGE

11

07372-21035

BOLT

12

01643-51032

WASHER

13

07097-21217

HOSE

14

07000-13038

O-RING

15

07371-51260

FLANGE

16

01010-81245

BOLT

17

01643-31232

WASHER

18

20Y-62-43460

NIPPLE

19

02896-11008

O-RING

20

07002-12034

O-RING

21

11Y-62-12250

TEE

22

02896-11008

O-RING

23

07002-11423

O-RING

Выбрано товаров: 23