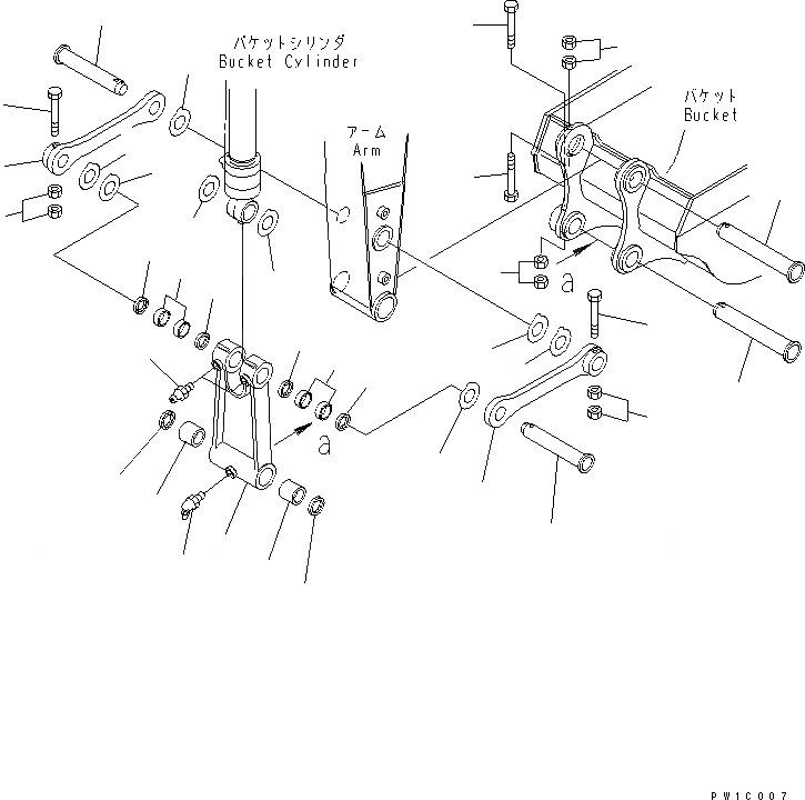
Запчасти Komatsu PC200-7-AA РУКОЯТЬ (.M) (СОЕДИНЕНИЕ КОВША) РАБОЧЕЕ ОБОРУДОВАНИЕ

Схема запчастей Komatsu PC200-7-AA - РУКОЯТЬ (.M) (СОЕДИНЕНИЕ КОВША) РАБОЧЕЕ ОБОРУДОВАНИЕ
1
2
2
3
3
4
5
6
6
6
6
7
7
8
8
9
10
11
12
12
13
14
15
16
17
17
17
17
18
19
20
21
22
23
24
FIT
1:1
100%

Артикул

Название

Примечание

Количество

1

20Y-70-33111

LINK

2

20Y-70-32351

BUSHING

3

20Y-70-32361

BUSHING

4

07020-00000

FITTING

5

07020-00675

FITTING

6

20Y-70-23220

SEAL

7

20Y-70-23230

SEAL

8

205-70-73130

LINK

9

22U-70-21191

PIN

|9

205-70-73160

PIN

10

205-70-73190

BOLT

11

01580-12016

NUT

12

20Y-70-31450

SPACER¤ 1.0MM

13

20Y-70-31460

SPACER¤ 2.0MM

14

22U-70-21191

PIN

|14

22U-70-21190

PIN

15

205-70-73190

BOLT

16

01580-12016

NUT

17

20Y-70-31440

SPACER¤ 1.0MM

18

20Y-70-31480

SPACER¤ 2.0MM

19

205-70-73270

PIN

20

205-70-73190

BOLT

21

01580-12016

NUT

22

205-70-73270

PIN

23

362-46-11210

BOLT

24

01580-12016

NUT

Выбрано товаров: 26