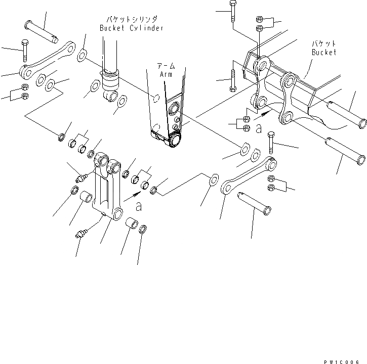
Запчасти Komatsu PC200-7 РУКОЯТЬ (.9M)(СОЕДИНЕНИЕ КОВША) РАБОЧЕЕ ОБОРУДОВАНИЕ

Схема запчастей Komatsu PC200-7 - РУКОЯТЬ (.9M)(СОЕДИНЕНИЕ КОВША) РАБОЧЕЕ ОБОРУДОВАНИЕ
8
14
7
15
11
16
17
16
5
3
16
5
4
6
2
4
1
2
6
5
3
5
16
7
13
12
11
20
22
19
23
9
10
18
21
FIT
1:1
100%

Артикул

Название

Примечание

Количество

1

20Y-70-33121

LINK

2

21K-70-12161

BUSHING

3

205-70-73180

BUSHING

4

07020-00000

FITTING

5

20Y-70-23220

SEAL

6

20Y-70-23230

SEAL

7

205-70-73130

LINK

8

205-70-73160

PIN

9

205-70-73190

BOLT

10

01580-12016

NUT

11

20Y-70-11320

SPACER

12

20Y-70-11330

SPACER

13

22U-70-21190

PIN

14

205-70-73190

BOLT

15

01580-12016

NUT

16

20Y-70-11320

SPACER

17

20Y-70-11330

SPACER

18

205-70-73270

PIN

19

205-70-73190

BOLT

20

01580-12016

NUT

21

205-70-73270

PIN

22

362-46-11210

BOLT

23

01580-12016

NUT

Выбрано товаров: 23