Запчасти Komatsu PC200-8 КАБИНА (КАБИНА IN ЧАСТИ) (ЗАДН. КРЫШКА) (С KOMTRAX) (№B8-) КАБИНА ОПЕРАТОРА И СИСТЕМА УПРАВЛЕНИЯ

Схема запчастей Komatsu PC200-8 - КАБИНА (КАБИНА IN ЧАСТИ) (ЗАДН. КРЫШКА) (С KOMTRAX) (№B8-) КАБИНА ОПЕРАТОРА И СИСТЕМА УПРАВЛЕНИЯ
22
23
18
19
17
20
16
15
21
14
27
28
24
25
26
39
38
30
29
33
32
37
36
34
35
1
2
5
4
3
31
6
13
13
8
10
9
12
11
9
7
22
23
FIT
1:1
100%

Артикул

Название

Примечание

Количество

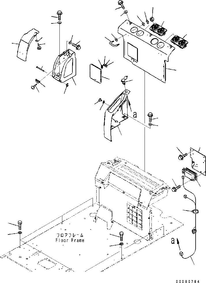
|1

20Y-53-13631

COVER ASS'Y

1

COVER

2

22U-43-22340

PULLER

3

08041-01000

FUSE¤ 10A

4

08041-02000

FUSE¤ 20A

5

08041-03000

FUSE¤ 30A

6

20Y-53-12371

COVER

7

208-53-12290

HOOK

8

01580-10403

NUT

9

01640-20408

WASHER

10

01601-20410

WASHER

11

01435-40616

BOLT

12

20Y-53-12310

COLLAR

13

208-979-7560

GRILLE

14

20Y-53-12381

COVER

15

09452-14503

CATCHER

16

01370-10308

SCREW

17

20Y-53-12391

COVER

18

208-53-12410

PLATE

19

01370-20308

SCREW

20

208-53-12320

PIN

21

208-53-12330

RING

22

01435-40616

BOLT

23

20Y-53-12310

COLLAR

24

20Y-53-12931

COVER

25

01435-40620

BOLT

26

20Y-53-12310

COLLAR

27

23D-950-4450

BUTTON

28

20Y-53-12860

SPACER

29

22U-06-22251

CONVERTER

30

01435-00610

BOLT

31

198-Z11-2640

SOCKET ASS'Y

32

20Y-06-41270

WIRING HARNESS

33

08034-20414

BAND

34

01010-81245

BOLT

35

01643-31232

WASHER

36

01010-D1650

BOLT

37

01643-31645

WASHER

38

20Y-53-18221

BRACKET

39

01435-00612

BOLT

Выбрано товаров: 40