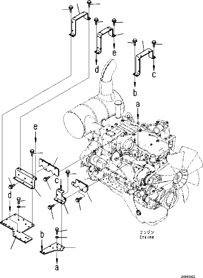
Запчасти Komatsu PC200-8 ТЕРМОЗАЩИТА (/) (ЛЕСОЗАГОТОВИТЕЛЬНАЯ ТЕХНИКА СПЕЦ-Я) РАЗНОЕ

Схема запчастей Komatsu PC200-8 - ТЕРМОЗАЩИТА (/) (ЛЕСОЗАГОТОВИТЕЛЬНАЯ ТЕХНИКА СПЕЦ-Я) РАЗНОЕ
20
19
20
17
18
18
16
15
16
9
10
13
5
6
4
1
2
3
11
8
14
7
14
12
12
FIT
1:1
100%

Артикул

Название

Примечание

Количество

1

20Y-01-41410

PLATE

2

01010-E1030

BOLT

3

01643-31032

WASHER

4

20Y-01-41420

PLATE

5

01010-E1030

BOLT

6

01643-31032

WASHER

7

20Y-01-41431

PLATE

8

01435-00820

BOLT

9

20Y-01-41442

PLATE

10

01435-00820

BOLT

11

20Y-01-41450

BRACKET

12

01435-01025

BOLT

13

20Y-01-41461

BRACKET

14

01435-01025

BOLT

15

20Y-01-41470

BRACKET

16

01435-01025

BOLT

17

20Y-01-41480

BRACKET

18

01435-01025

BOLT

19

20Y-01-41490

BRACKET

20

01435-01025

BOLT

Выбрано товаров: 20