Запчасти Komatsu PC200-8 ТЕРМОЗАЩИТА (/) (ЛЕСОЗАГОТОВИТЕЛЬНАЯ ТЕХНИКА СПЕЦ-Я) РАЗНОЕ

Схема запчастей Komatsu PC200-8 - ТЕРМОЗАЩИТА (/) (ЛЕСОЗАГОТОВИТЕЛЬНАЯ ТЕХНИКА СПЕЦ-Я) РАЗНОЕ
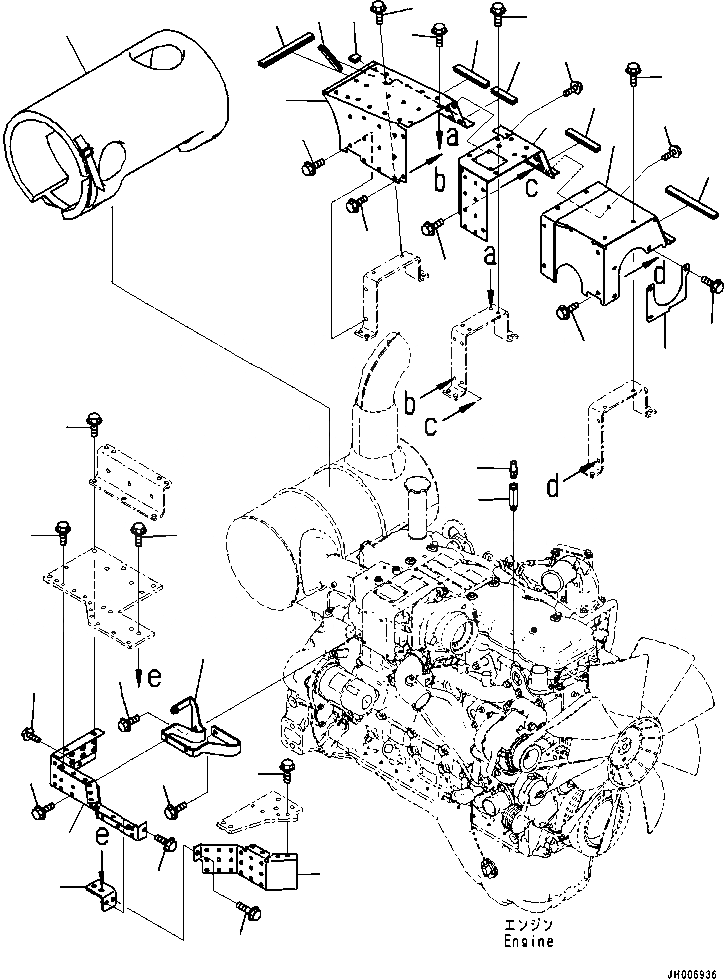
14
14
13
12
9
8
10
3
10
2
7
7
6
5
4
1
7
7
11
14
25
26
27
29
28
20
24
16
18
19
17
19
22
21
17
17
15
23
17
FIT
1:1
100%

Артикул

Название

Примечание

Количество

1

20Y-01-41630

COVER

2

20Y-01-41610

SHEET

3

20Y-01-41620

SHEET

4

20Y-01-41660

SHEET

5

20Y-01-41670

SHEET

6

20Y-01-41680

SHEET

7

01435-00820

BOLT

8

20Y-01-41642

COVER

9

20Y-01-41580

SHEET

10

01435-00820

BOLT

11

01435-00820

BOLT

12

20Y-01-41650

COVER

13

20Y-01-41590

SHEET

14

01435-00820

BOLT

15

20Y-01-41541

COVER

16

01435-01030

BOLT

17

01435-00820

BOLT

18

20Y-01-41551

COVER

19

01435-00820

BOLT

20

20Y-01-41560

BRACKET

21

01435-01020

BOLT

22

01435-00816

BOLT

23

20Y-01-41571

BRACKET

24

01435-01025

BOLT

25

20Y-01-41690

PLATE

26

01435-00820

BOLT

27

205-01-31510

COVER

28

2A5-977-1121

ELBOW

29

2A5-977-1140

NIPPLE

Выбрано товаров: 29