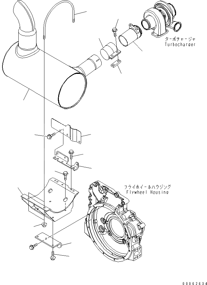
Запчасти Komatsu PC200-8 ВЫПУСКН. ГЛУШИТЕЛЬ И МОНТАЖНЫЙ КАРКАС КОМПОНЕНТЫ ДВИГАТЕЛЯ

Схема запчастей Komatsu PC200-8 - ВЫПУСКН. ГЛУШИТЕЛЬ И МОНТАЖНЫЙ КАРКАС КОМПОНЕНТЫ ДВИГАТЕЛЯ
10
9
3
7
11
13
12
8
13
1
2
14
5
4
6
FIT
1:1
100%

Артикул

Название

Примечание

Количество

1

6754-11-5340

MUFFLER

2

6754-11-5940

U-BOLT

3

01594-01008

NUT

4

6210-11-5232

CLAMP

5

6206-11-5850

PLATE

6

01435-01235

BOLT

7

6754-11-5490

BRACKET

8

01435-01030

BOLT

9

6754-11-5420

BRACKET

10

01435-01025

BOLT

11

6754-71-9740

BRACKET

12

6754-71-9730

COVER

13

01435-00820

BOLT

14

6735-11-5611

TUBE

Выбрано товаров: 0